NPC和ANPC三电平逆变器拓扑基本工作原理分析

三电平逆变器是储能系统或者光储系统的基本工作拓扑,在这些应用中应用广泛,本文主要从基本工作原理及器件选型上进行讨论。

所谓的三电平是指逆变器的交流输出端电压相对于输入直流电压有三个电平,即正端1/2Vdc,负端-1/2Vdc,0三种电平电压,输入端直流侧有两个电容串联,用以支撑并均衡直流侧总线电压,通过开关控制在交流侧产生三电平相电压,经过滤波电路之后得到正弦波。

.NPCANPC的拓扑概要分析

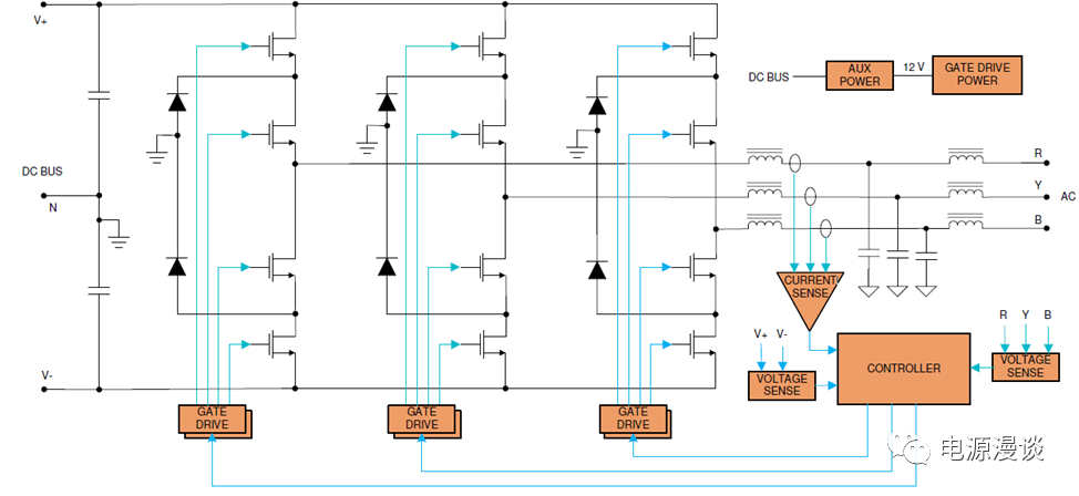
1 NPC中性点箝位逆变器

上图1中描述了NPC的拓扑,这个是一个多电平拓扑,这个拓扑中所有开关都是额定电压设在一半的总线电压,器件的电压应力比较低,因此功率器件开关损耗也相对较低,所以在NPC拓扑中,对于800V-1000V的总线电压,可以使用650V-700V等级的器件,相比1200V器件可以达到更低的开关损耗。

NPC拓扑的输出电流纹波较小,这会优化输出滤波电感的大小,用较小的电感维持相应的THD, 拓扑不仅可以产生较小畸变的输出电压,同时可以最小化开关器件的dv/dt电压应力,从而减小EMI.

这个拓扑提供了功率的双向传输,当开关频率高于50kHz时是更好的选择,因为其低的开关损耗和较高的效率。虽然控制上比较复杂,但是此拓扑改善了功率密度和效率等特性。作为一个双向DC/AC拓扑,它非常适合储能逆变器及光储系统中的逆变部分。

除了上述优势之外,其缺点也显而易见,比如开关器件较多,同时对应的门级驱动器也较多。由于使用了功率二极管,所以其热分布不均匀,热管理也是一个挑战。

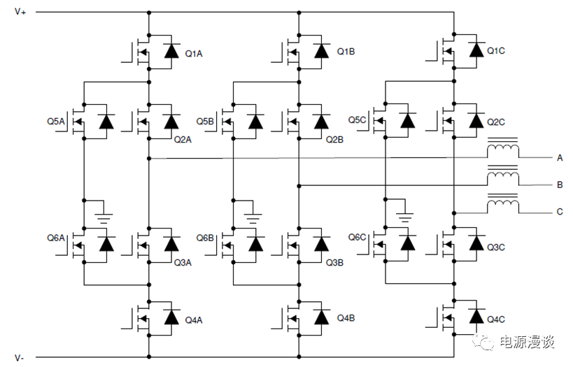
2 ANPC有源中性点箝位逆变器

相对于NPC拓扑而言,如上图2所示,ANPC逆变器是一个NPC逆变器的改善版本,NPC拓扑中的二极管在这个拓扑中变为了有源开关。这样的变化,使得系统可以得到更一致的损耗分布,使得热管理更容易,开关的导通电压可以减小,改善了效率和功率密度。ANPC拓扑的其余部分和NPC基本一致,后面我们会以ANPC拓扑为例,简述其基本工作原理。

.ANPC三电平逆变器的基本工作原理

3 ANPC的三相逆变器拓扑架构图

上述图3ANPC三电平三相逆变器的拓扑架构简图,为了更进一步的简化分析,我们分离出单独的一相电路,如下图4所示。另外两相电路的运行原理类似,此处不详细分析。

4 ANPC的单相逆变器桥臂

总体而言,每一相有6个开关器件,其中Q1,Q5,Q2在正半周期内为闭合状态,Q4,Q6,Q3在电路负半周期为闭合状态。Q2,Q3为慢速开关,在每一个正弦半周期内,将电感连接到Q1,Q5,或者Q4,Q6的高频开关对,每一个快速开关对,在工作的半个周期内以同步降压模式运行。

5 ANPC正半周期工作的状态分析

接下来,我们分析一下电路在正半周期内的工作情况。

其中,作为慢速开关,工作在100HzQ2在整个半周期内保持开启状态,Q1主开关闭合时,电路处于激磁状态,建立从V+总线电压到电感的电流路径。此状态下,由于Q1Q2都打开,则Q3,Q4承受全部的总线电压,为避免器件之间不均匀,保持Q6开启,Q3Q4的中点连接到中性点,二者平均分配电压。

Q1, Q6在正负半周期之间的死区时间内关闭,电感流过Q5, Q2续流, 连续模式下,Q5为同步二级管,电感器节点连接到中性点。在此状态下,续流时Q3, Q4只承受一半的总线电压,因此无需保持Q6接通实现电压平衡。

6 ANPC负半周期工作的状态分析

负半周期工作情况如图6所示。类似于正半周期,在负半周期内工作时,作为慢管工作在100HzQ3一直保持开启。

在导通激磁阶段,Q3,Q4导通,电感器连接到V-,Q5在该状态下开启,以便平衡Q1,Q2之间的电压应力。在主开关Q4关断续流状态下,Q6, Q3维持电感电流,电感器开关节点连接到中性点。

以上就是ANPC的单独一相在整个周期的工作情况。

三.ANPC拓扑的开关应力和损耗情况分析

根据上述原理分析,主功率器件只需要一半的总线电压的应力,所以1000V的直流总线电压下,可以使用650V-700V的功率器件。

其中由于拓扑运行需要,Q2Q3为慢速开关,运行在100Hz工频,所以可以选择普通的Si的功率MOSFET即可。而Q1, Q5Q4,Q6都是运行于高频的功率器件,所以选择宽禁带器件,可以提升开关频率及功率密度。

除去平衡电压应力的开关管,同一时刻有两个开关器件导通(包含一个快管和一个慢管),所以对于导通损耗而言,需要根据相应允许的功耗去选择功率器件Rdson

对于开关损耗而言,Q1,Q4为控制的主开关对应于每一个半周期,因此会出现开关损耗。Q5,Q6为续流同步开关,因此会有零电压开关状态,在死区时间内体二极管导通,其存在正向压降和反向恢复损耗,而宽禁带器件的反向恢复损耗可以忽略。Q2,Q3的开关频率非常低,仅仅作为半周期的常通开关,所以其开关损耗可以忽略。

总结,以上简要分析NPCANPC拓扑的基本工作原理。

参考文献:

  1. 基于GaN的11kW双向三相ANPC参考设计
  2. Power Topology Consideration for Solar String Inverters and Energy Storage Systems

作者:极客石头

在搞事情的路上越走越远。

发表评论

您的邮箱地址不会被公开。 必填项已用 * 标注