跳至内容
散热器的选择流程
根据元器件的热流密度、体积功率密度、温升要求及散热方式(自然冷却、强迫风冷),确定是否加装散热器。
一般地说,热流密度小于0.08W/cm2,采用自然冷却方式;热流密度超过0.08W/cm2, 体积功率密度超0.18W/cm3,须采用强迫风冷方式。
当然,应用上述这个判据是有前提的:一是上述方法是假设热量均匀分布在整个设备的体积中;二是设备内的热量能充分地传到设备表面。
根据器件功耗、环境条件及器件温度降额要求的允许结温,确定散热器的形状并通过计算,计算出散热器的表面积。
选用散热器,降低散热器热阻
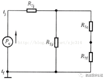
RTj——功率器件的内热阻,通常由器件的制造厂家提供;
RTp——器件壳体直接向周围环境的换热热阻,称为器件的外热阻;
RTc——器件与散热器安装面之间的接 触热阻;
RTc——散热器热阻。
tj=Pc(RTj+RTc+RTf)+tf≤tj,max;
还要注意的几点
1)散热器表面应进行氧化发黑处理,以增强辐射换热效果。在自然对流情况下, 辐射换热作用较突出,可以提高25%的散热量, 所以, 除非是器件附近有高热源, 散热器表面都应涂覆或氧化发黑处理以提高辐射性能。
2)散热器的材质,一般推荐选用铝型材、铸铝或纯铜。
3)根据要求,可以选用平板式散热器、铝型材散热器、叉指型散热器;也可以选择热管散热器,冷板按散热器,热板(vapor chamber)散热器,石墨散热器。
4)铝型材散热器的齿面应加波纹齿,型材散热器的肋片表面增加波纹可以增加10%到20%的散热能力,波纹齿的高度为0.5mm,宽度为0.5mm~1mm,以增加对流换热效果。
5)应保证铝型材散热器基板有一定厚度,以减小传导热阻。
6)散热器性能与垂直气流方向的宽度成正比,与气流方向长度的平方根成正比,所以增加散热器宽度的效果要好于增加长度;对于散热器的流向长度大于300mm,应把散热器的齿片从中间断开,以增加空气扰动,提高对流换热效果。
散热器的安装要求
1)器件与散热器的接触面应保持平整光洁,散热器的安装孔要去刺。
2)器件与散热器和导热绝缘膜间的所有接触面处应涂导热硅脂或加其它导热绝缘材料。
3)免涂导热硅脂的导热绝缘膜在接触面处可以不涂导热硅脂。
4)对于自然冷却方式,铝型材散热器的安装应使齿槽与水平面垂直,以增强自然对流效果;对于强迫冷却方式,铝型材散热器的安装应使齿槽与风的流向平行。
5)为了减少器件与散热器之间的接触热阻,应适当增加接触力。为避免使元器件受力,散热器须有适当的固定支撑。
