MOSFET原理详解与参数测试

1、MOS的由来

MOSFET又叫场效应晶体管,要想学好MOS管,首先我们要对标三极管来学。我们说,三极管有N管和P管,同样的,MOS管也有N型和P型。这里重点介绍N型MOSFET。
注释1:如何区分NMOS和PMOS?
中间箭头指向G极的是NMOS,箭头背向G极的是PMOS。且体二极管的方向始终与箭头方向保持一致。
管脚
工作条件
相同点
MOS管
G:栅极
D:源极
S:漏极
VGS大于MOS管的开启电压Vth
控制极的电流很小,控制信号的内阻大;
输出极的电流很大,输出信号的内阻小。
三极管
b:基极
c:集电极
e:发射极
Ib、Ic各自必须要有完整的回路,且ic=βib
三极管是一个流控流型的器件,有电流必然会产生损耗,假设三极管这里的β只有10倍,如果Ic要求是100A,Ib至少要是1A,也就是说控制极就要是1A,如果我有10个,那就需要是10A,那这要很大的电源才能提供如此大的控制极电流,这个电路也就无法设计。
既然流控型不行,那么能不能做一个压控型的呢?这个管子的导通不导通只关注电压的阈值,那么这个时候就让电流很小,就能解决这个问题。MOSFET应运而生。
对于MOSFET来说,GS内部有一个电容存在的。充满电后,维持住这个电压,那么就持续导通了。在充电过程中,是消耗电流和产生功耗的;当充电完成后,电容上是没有电流的,没有电流,则没有损耗。那么,这个时候功耗很低了。
我们再来看一下DS,它之间可以等效成一个可变电阻。这个可变电阻,在关断期间时,则阻值无穷大;在开通期间,则阻值无穷小。所以,DS之间也没有功耗,即使一个很大的Id,但是乘以一个无穷小的电阻,它的功耗就很小。那么,这样子也实现了放大,但是功耗也小,这就完美解决了三极管的问题。 

2、MOS管的导通过程

2.1栅极无电压

当栅极上没有加偏置电压时,源和漏之间存在两个背靠背的串联二极管。一个是由n+漏区和P型衬底之间的pn结形成的二极管,另一个是p型衬底与n源区之间的pn结形成的二极管。即使DS之间加上电压,但是栅极无偏置电压,这两个背靠背的二极管将阻碍从漏到源的电流的产生。实际上,漏源之间的通路是一个阻值非常高的电阻(在1012Ω的数量级)。

注释2:NMOS主要构造
上图中p型衬底是一个为器件提供物理支撑(在集成电路中,它为整个电路提供支撑)的单晶硅圆片。在衬底上创建两个重掺杂的n+源区和n+漏区。在源区和漏区之间,一薄层二氧化硅覆盖在p型衬底之上,在氧化层上沉积一层金属来形成器件的栅极电极。

2.2 施加偏置电压Vth,创建电流沟道

如下图所示,其中源极和漏极都接地,只在栅极(G)上加上一个正电压。因为源极(S)接地,栅极电压就相当于加在栅极和源极之间的VGS电压。栅极电压首先排斥栅极下面衬底区域中的空穴(带正电),并留下载流子耗尽区域(带负电)。该耗尽区域是与受主杂质原子相关联的带负电的束缚电荷。

同时,正栅极电压从n+源区和n+漏区吸引电子进入沟道区域,当栅极下面的衬底附近积聚了足够数量的电子时,就形成一个n型区,它连接源区和漏区。此时在源区和漏区之间加上电压,在n型区域内就会有移动的电子形成的电流通道,此时电流沟道就创建完成,这种mosfe就称为n沟道mosfet,或称为NMOS。PMOS的形成同理。
在沟道区域积聚足够数量的自由电子形成导电沟道时的电压值称为开启电压/阈值电压,记为Vth。

 

2.3 施加一个小的VDS,并逐步增加VGS

产生沟道后,在源和漏之间施加一个正电压VDS,VDS电压引起电流iD流过n沟道,自由电子从源区向漏区流动,因此电流方向为从漏区指向源区。iD的大小取决于沟道中电子密度,而电子密度的大小又取决于VGS的大小。具体的说,当VGS=Vth时,刚刚形成沟道,此时的电流非常小可以忽略不计。当VGS超过Vth时,越来越多的电子被吸引到沟道中,造成电子密度逐步增加,沟道深度逐步增加,结果就是导致沟道的电阻减小,流过的电流iD增加。流出源极的电流就等于流入漏极的电流,而栅极电流为0
所以通过下图我们可以发现MOSFET在VDS较小时,D-S之间的电阻值与VGS电压成反比,此时的器件就如同一个线性电阻。

2.4 VGS保持不变时,逐步增加VDS

此时仍然假定VGS大于Vth并保持不变,VDS相当于沟道长度两端的电压降,也就是说沿着沟道从源区到漏区电压从0逐步增加到VDS。因此,在栅极和沿沟道的点之间的电压从源端的VGS减小到漏端的VGS-VDS,因为沟道深度取决于此电压,所以此时的沟道深度不在均匀,沟道深度从源区向漏区逐步较小。在源端最深,在漏端最窄。随着VDS增大,沟道变得越来越尖,并且电阻也相应地增加。因此iD-VDS曲线不再是直线。,当VDS增大到使栅极和漏端的电压差减小为Vth时(即VGS-VDS=Vth时),在漏端的沟道深度减为0,沟道被夹断。继续增大VDS不会对沟道的形状产生太大影响,此时的iD也达到了饱和不在增加。

因此当MOSFET工作与VGS>Vth时,漏极电流iD与漏极电压VDS之间的关系如下图所示:

3、Vth电压该怎么测?

一般在MOSFET的datasheet中查看Vth值时,在最后面都标注了 Test Condition,不同厂家的测试要求有些出入,要根据实际要求进行测量。以上图DMT6030LFDF的Vth测量为例,TestCondition要求主要有两点:

①   VDS=VGS ,要求D端电压等于G端电压,那么我们可以直接将D端与G端进行短接。
②   ID=250uA,要求在D-S通过250uA的电流,因此就需要电源和负载,来产生电流。
测试设备直流电源;高精度电子负载;万用表
测试步骤:测试方法参考下图,短接G-D端,在D-S端串入直流电源和负载,设置负载恒流模式,Load=250uA。同时使用万用表测试G-S端电压。
环境搭建完成后,启动负载拉载,从0开始逐步增加电压源电压,当电子负载Load=250uA时,记录此时的万用表电压即为Vth。

注意事项:
①   线路连接尽可能短,减少线路损耗;
②   电子负载恒流模式使用低量程,保证拉载电流的准确性。
③   部分电子负载的设置最小电流不能达到uA级别(主要取决硬件设施允不允许你使用的负载可以达到这个精度),可以设置拉载电流为1mA或者负载的最小拉载电流,然后逐步增加电源电压,观察负载拉载电流达到250uA时(此时电流并未达到设置拉载值),记录电压表测量值
4、Rdson是个什么?

Rds(ON)是MOSFET工作(启动)时,漏极D和源极S之间的电阻值。在上文中我们介绍了MOSFET在导通后,Rds(ON)的值不是一成不变的,主要取决于VGS的值。Rds(ON)的值一般都是在mΩ级别,当MOSFET电流达到最大时,则Rdson必然是最小的。对于MOSFET来说,Rdson越小,价格也就越贵。

即使Rds(ON)的值很小,但是如果MOSFET上流过的id电流很大,那么必然在MOSFET上产生损耗,我们称这个损耗为导通损耗。

我们看到,MOSFET的D-S之间有一个二极管,我们把这个二极管称为MOSFET的体二极管。假设正向:由D指向S,那么体二极管的方向是跟正向相反的,而且这个体二极管正向不导通,反向会导通。所以这个体二极管和普通二极管一样,也有钳位电压,实际钳位电压跟体二极管上流过的电流是有关系的,体二极管上流过的电流越大,则钳位电压越高,这是因为体二极管本身有内阻。有内阻必然也会产生损耗,我们把体二极管的功耗称之为续流损耗。

Rds(ON)有两个重要的特性:

①   Rds(ON)与VGS的关系,随着VGS的增大,Rds(ON)逐渐减小。

②   Rds(ON)与温度的关系,温度越高,Rds(ON)越大。温度特性会严重影响器件的工作特性,导致产品运行不稳定。

注释:Rds(ON)应该怎么测?

Rds(ON)的测试非常简单,就是使用欧姆定律关系。在datasheet中也定义了Rds(ON)的测试要求:

①   VGS电压,因此需要有一台电源提供MOSFET的开启电压

②   ID电流,要求在D-S有电流,因此就需要电源和负载来产生回路电流。

测试设备:直流电源*2;高精度电子负载;万用表

测试步骤:测试方法参考下图,使用直流电源1给G-S端供电,设置VGS电压。在D-S端串入直流电源2和负载,设置负载恒流模式和负载拉载值id,设置电源2电压。同时使用万用表测试D-S端电压。

环境搭建完成后,启动电源1、电源2、电子负载,记录此时的万用表电压即为VDS。根据欧姆定律:Rds(ON)= VDS/id

注意事项:

①    电源1的设置电压一定要按照datasheet要求进行设置,保障mos处于打开状态

②    电源2的电压不要设置太高,不要超过VDS的最高承受电压。

5、MOSFET那些寄生电容

如下图所示,是我们等效出来的MOSFET里面的寄生电容模型

5.1 Cgs电容

Cgs:栅极和源极之间的等效电容。实际上控制电压输出后,就开始给电容Cgs开始充电,GS电容充电过程分三个阶段:

①   上电瞬间电容等效成短路,GS电容的内阻为0,几乎所有的电流,都从电容上走;

②   GS电容没有充满的情况下,电流分别从电阻及电容流过,但主要的电流依旧从电容走;

③  电容充满了,电流不从电容走,只有很小的电流从电阻走。

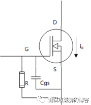
注释1:MOSFET的GS之间的下拉电阻

通常我们在查看电路图时,注意到在MOSFET的GS之间会并接一个电阻,这个电阻的主要作用有:

①   给mos管的cgs电容提供放电回路,确保MOSFET就只有两态,不是高就是低。

②   提供固定偏置,在前级开路时,这个电阻确保MOS有效的关断。假设控制信号的前级开路,此时D极上提供一个很高的电压,通过电容Cgd给电容Cgs进行充电,导致管子误导通,烧毁mos管

③   有效防止雷击、静电损坏MOS。

综上GS下拉电阻范围10K~100K,原则上讲,高压系统可以取大一些,低压系统可以取小一些。正常情况下,建议大家取10K、18K、20K。(三极管的下拉电阻推荐为2k)

5.2 Cgd电容

Cgd:栅极和漏极之间的等效电容。这个电容也称为米勒电容,臭名昭著的“米勒效应”也因此产生。米勒效应,实际上是有一个固有的转移特性:栅极的电压Vgs和漏极的电流Id保持一个比例关系。

产生的问题:因为米勒电容的影响,造成mos管不能很快的进行开通和关断,中间有一段延迟时间。通过示波器测量VGS电压波形,会发现VGS波形在上升期间有一段平台,这个平台又称为米勒平台。(下图加粗线表示)

米勒平台大家首先想到的麻烦就是米勒振荡。(即,栅极先给Cgs充电,到达一定平台后再给Cgd充电)因为这个时候源级和漏级间电压迅速变化,内部电容相应迅速充放电,这些电流脉冲会导致mos寄生电感产生很大感抗,这里面就有电容,电感,电阻组成震荡电路,造成MOS误导通、烧毁、等问题.

产生问题的原因:

通过上图我们分析,在t0-t1这段时间内,VGS一开始随着栅极电荷的增加而增加,开始给Cgs充电,当电容达到门槛电压后,VGS=VGSth后,MOS开始进入导通状态。

在t1-t2这段时间内,MOS开始导通,此时的id就已经开始有电流,但是电流很小。此时的D极电压比G极电压高,电容Cgd是上正下负。

然后Vgs电压继续上升,Id也会继续上升,当上升到米勒平台电压Va的时候,就会发生固有转移特性(Vgs不变,id也保持不变)

在t2-t3这段时间内,虽然栅极电荷继续增加,但是栅极电荷也有了另外一条通路(下图紫色标注通路),栅极电荷这个时间大部分用来给电容Cgd进行充电,导致VGS电压不在增加。此时的Cgd极性与漏极充电相反,即下正上负,因此也可理解为对Cgd反向放电,最终使得Vgd电压由负变正,结束米勒平台进入可变电阻区。米勒平台时间内,Vds开始下降,米勒平台的持续时间即为Vds电压从最大值下降到最小值的时间。

通过上图我们可以分析在米勒平台的这段时间内,VGS 和id都是保持不变的,VDS从最大值降到了最小值。所以刚进入米勒平台时,在MOS管上产生的导通损耗非常的大。我们假设VDS电压从12V减低到了0.5V,id=10A保持不变,可以计算导通功耗也从 120W变为5W,这个功率的变化时很大的,如果开通时间慢,意味着发热从120w到5w过渡的慢,mos结温会升高的厉害。所以开关越慢,结温越高,容易烧mos。

解决措施:GS极加电容,减慢mos管导通时间,有助于减小米勒振荡。防止mos管烧毁。过快的充电会导致激烈的米勒震荡,但过慢的充电虽减小了震荡,但会延长开关从而增加开关损耗。

5.3 Cds电容

Cds电容:源极和漏极之间的等效电容。

5.4 上述电容之间的关系

上面是MOSFET的等效模型,但是在MOSFET中是真实存在的,在datasheet·中我们看到的参数是这么表述的,具体关系如下:

Ciss  输入电容:Ciss = Cgd + Cgs

Coss 输出电容:Coss = Cgd + Cds

Crss 米勒电容:Crss = Cgd

6、MOS管的损耗有多少?

在之前的文章中我们介绍了Rdson造成的导通损耗,以及体二极管的续流损耗,此外主要还有开关损耗和栅极驱动损耗。

损耗类型

关注参数

说明

优化建议

开关损耗

Cgd(米勒平台)

开关损耗又分为开通损耗和关断损耗,主要发生在米勒平台时间内,与米勒平台时间、寄生电容Cgd和管子开关次数(频率)成正比

减小栅极电阻的阻值,增大栅极驱动电流,从而缩短米勒平台的时间;提高栅极驱动电压;就是选择米勒电容小的MOS

导通损耗

Rdson

导通损耗在MOS的导通器件是一直存在,一般我们认为MOS工作在饱和区的功耗为导通损耗,主要取决于MOS管的Rdson和负载电流

主要通过选型Rdson比较小的MOS。

驱动损耗

Qg

栅极驱动损耗主要是发生在电源控制芯片上,而非MOS管上,但是其大小与MOS管的参数有关。

/

续流损耗

体二极管

续流功耗并不是所有系统都有,如果MOSFET关断时不存在续流的情况,是不存在续流功耗的

/

7、高压MOSFET和低压MOSFET

我们要知道,MOSFET其实并不是一个MOSFET,它实际上是由若干个小的MOSFET合成的。既然是合成的,我们就讨论下低压MOSFET和高压MOSFET的差异。

高压MOS和低压MOS管的最主要的区别就是VDS的电压不同,高压mos管电压在400V~1000V左右,低压mos管在1~40V左右。

假设负载功率要求是3KW:

低压MOS:24V  电流:125A

高压MOS:310V    电流:9.7A

结论一:

合成方式

等效电阻

GS电容

导通电流

开关速度

高压MOS

串联

串联电阻大

串联电容小

电流小

速度快

低压MOS

并联

并联电阻小

并联电容大

电流大

速度慢

我们知道只有电阻并联才能把耐压做高,因此高压MOS管要采用串联的方式,低压MOS采取并联的方式,因此也带来了许多特性的不同。

从导通电流来看:并联电阻变小,等效Rdson小,因此导通电流可以很高。串联电阻变大,等效Rdson大,因此导通电流做的很低。

从结电容来看:根据电容串并联特性,对不同的MOS管相等的电流进行充电,那么很明显,结电容大的,则充的慢,也就是说开通的慢;GS电容小,则开通快。高压MOSFET开通快,低压MOSFET开通慢。

结论二:低压大电流的系统,管子的关断比较难做;高压小电流的系统,管子的开通比较难做。

在米勒平台时间内,GS电流的主要受Cgs电容影响,其实它还有一条回路,也就是受到米勒电容Cgd的大小影响。米勒电容Cgd的大小其实也受漏极电压Vd的影响,Vd电压越高,Cgd越大;Vd电压越低,Cgd越小;也就是说GS电流也间接受到Vd电压的影响,Vd电压高,受米勒电容影响更大。然而,对于高压管子来说,Vd越大,它的Id电流一般就小。也就是说,高压管子,米勒电容大,对于高压的管子DS电压一般在百伏级别,这么高的电压,MOS管在开通时,Vd就要从几百V迅速降低到0V,所以漏极的dv/dt是很大的。那么DS的迅速变化(dv/dt,di/dt),会通过米勒电容Cgd反馈到栅极,也会通过Cgs电容传递到栅极,影响到栅极的驱动波形,就会在栅极的平台区域出现干扰。从而引起VGS电压波动,那么,高压的管子开通就会容易震荡。

同样的,对于低压管子来说,Vd电压低,米勒电容小,那么低压的管子,一般Id电流大,如果米勒平台越短,那么di/dt就会越大,低压的管子在关断的时候就会容易出现震荡。

如果在米勒平台区出现震荡,那么管子就会发热严重,容易损坏,不能抗冲击。所以,在GS电压确定的时候,栅极驱动电阻和米勒平台时间的关系,很重要了。

 结论三:栅极电阻的取值

高压管子:栅极电阻建议100R~330R。

低压管子:栅极电阻建议10R~100R

高压管子内部是有很多个小管子串的,所以GS电容偏小,那么,栅极驱动电阻不能太小,否则平台时间短,dv/dt容易引起震荡,结果发热更大。那么,需要有一个大一点的电阻,但也不能是KΩ级的,否则平台时间按长,发热也大。从另一方面说,米勒平台是一个危险区域,希望快速通过,所以Igs驱动电流就要大。这个驱动电流Igs要和栅极电阻以及米勒电容匹配好,一般都是100R~330R。

对于低压管子来说,由于GS电容偏大,所以Igs电流要大,栅极电阻要更小,建议10R~100R。也就是说,虽然低压的管子GS电容大,但是栅极电阻小,米勒平台的时间也不会太长。

8、双MOSFET构造的上下桥互补斩波

8.1 原理分析

在开关电源中我们经常会用到上下管MOS构造斩波电路,但是如果设计不合理就会造成上下管同时导通的风险,直接导致MOS管烧毁,设计原理如下图:

上管导通下管关闭,下管导通上管关闭,这就是互补输出的含义,如果驱动上管的PWM信号是S1,驱动下管的PWM信号是S2。

那么S1为低,S2为高;S1为高,S2为低。同时,我们也知道,MOSFET的开通和关断都是有延时的,再加上刚刚说的MOSFET开通或关断出现震荡,那么,有可能出现上下互通的情况。一般我们避免这种情况发生,会加一个死区。可以让开通延时,下降时间不变。这就是我们互补输出方式。

在控制信号GS波形正常情况下,上面这个电路是没有问题的。但是由于GD之间是有电容的。假设我们的管子开通快,关断也快。另外,我们前面也讲到过,GD之间的米勒电容Cgd与漏极电压有关。那么接下来,讨论在死区期间,其中一个管子开通的一瞬间,对另一个管子GS波形的影响。

 

上管导通、下管关闭:

在死区期间,两个MOS管都关闭,MOS管等效成两个电阻,M点相当于对321V进行分压等于155V。

假设死区时间过后,上管先导通的瞬间,M点的电压从155V变成310V,有一个很高的dv/dt,而且瞬间会留下来一个很大的电流,那么理想情况下肯定是往负载那边流走,但事实上,会通过C5电容流到S2端,同时也会经过C6流到地。这是因为下管关闭,S2为0V,C6相当于短路,但更主要的电流还是流过C6。那么,既然对C6电容进行充电,C6的电压就会往上升,就有可能导致达到下管的开通阈值电压,那么下管会误导通。

上管关闭、下管导通:

还是从死区说起,M点电压为155V,下管导通瞬间,M点电压被瞬间拉低,存在一个M点到地的回路。同时还会产生下面这条回路,同理,会对电容C3进行充电,必然对上管的栅极电压产生影响,也会导致在平台期间上管出现误触发。

通过对上面回路的分析,我们认为,对于互补输出电路来说,上下管导通瞬间都会GS出现干扰。比如说,MOS管的导通阈值是4.5V。如果干扰波形的幅值小于4.5V,这个是安全的。但是干扰波形一旦大于4.5V,就会造成误触发。误触发信号还受下列因素影响:

1、控制信号和Id电流回路太大;

2、地线的干扰影响;

3、GS阻抗的影响;

4、MOSFET本身特性的影响。

因此为了避免误触发的影响,我们在选择在MOS管时要着重考虑导通阈值:

1、VDS电压在AC120V  DC170V以上的高压管子,建议使用高阈值的管子。

2、低压管子:低压大电流推荐用高阈值。低压小电流推荐用低阈值

8.2 上下管MOS的导通波形测试

如下图所示,为同步整流电源芯片的部分电路图(使用外置MOS管),SW为电源芯片的功率输出引脚,HG、LG为高低边MOS的驱动信号,我们主要测试这个电路实际工作时有没有高低边MOS管同时导通的风险。

测试设备:示波器;无源探头*3;电子负载;

测试步骤:测试方法参考上图,

a)设置示波器通道1,2和3。

          放大倍数:X1

          带宽:20MHz

          耦合:DC耦合

          Math:ch1-ch2

b)设置触发模式。

          触发源:通道3。

          触发方式:上升沿触发,单次触发。

          垂直触发点:设置为被测电源电压值的1/2。

          水平触发点:设置在水平零点-2格处为宜。

 注意事项:

①    测试探头使用x1的电压探头,且地线需要尽可能的端,尽量选取靠近测试点。

测试实例:

①   我们先看一下ch1和ch2的波形:ch1为高边MOS的G端,ch2为高边MOS的S端,只有当VG-VS≥Vth时,高边MOS才会导通。

   此时我们设置math波形等于ch1-ch2就会看到 Vth的波形,如下图

可以看到高边MOS处于开断循环,开通时间约为240ns.

③   然后关闭ch1、ch2,打开ch3,ch3为低边MOS的Vth波形

可以看到高边MOS和低边MOS正常情况下是不会同时打开的,但是由于寄生电容、PCB等因素,造成MOS的开通和关断都会有一定的延时时间,所以在一次MOS的开通和关断之间两个Vth波形有交叉点,意味着高边MOS还没有完全关断的时候,低边MOS已经开始准备打开,我们重点关注这个交叉点的电压和MOS的最小开通电压进行比较。

如果交叉点电压小于最小开通电压,则两个MOS就不存在同时导通的风险;

如果交叉点电压大于最小开通电压,那么这个时候就需要更改设计,避免MOS同时导通的风险。

细节放大:

从datasheet可以查到该测量MOSFET的最小导通电压为1V,即V1=1V,而交叉点电压V2=0.4V。V1>V2,则结果判定为Pass,MOS就不存在同时导通的风险。

作者:极客石头

在搞事情的路上越走越远。

发表评论

您的邮箱地址不会被公开。 必填项已用 * 标注