读懂datasheet系列-MOSFET各项参数

 

Part1:热阻参数篇

图:MOSFET datasheet中热阻参数

经常查看半导体规格书的时候几乎都有关于热阻的参数,主要有以下几种,可能很多人都搞不清热阻的概念,也分不清这几个参数的区别,在实际运用中也不知道用哪一个参数来计算。

常见的热阻参数

 

热阻的概念

 

在通常条件下,热量的传递通过传导、对流、辐射三种方式进行。

 

传导是通过物体的接触,将热流从高温向低温传递,导热率越好的物体则导热性能越好,一般来说金属导热性能最好;对流是通过物体的流动将热流带走,液体和气体的流速越快,则带走的热量越多;辐射不需要具体的中间媒介,直接将热量发送出去,真空中效果更好。

 

半导体器件热量主要是通过三个路径散发出去:封装顶部到空气,封装底部到电路板和封装引脚到电路板。

 

电子器件散热中最常用的,也是最重要的一个参数就是热阻(Thermal Resistance)。热阻是描述物质热传导特性的一个重要指标。以集成电路为例,热阻是衡量封装将管芯产生的热量传导至电路板或周围环境的能力的一个标准和能力。定义如下:

热阻值一般常用𝜃表示,其中 Tj 为芯片 Die 表面的温度(也叫做结温),Tx 为热传导到某目标点位置的温度,P 为输入的发热功率。电子设计中,如果电流流过电阻就会产生压差。同理,如果热量流经热阻就会产生温差。热阻大表示热不容易传导,因此器件所产生的温度就比较高,由热阻可以判断及预测器件的发热状况。通常情况下,芯片的结温升高,芯片的寿命会减少,故障率也增高。在温度超过芯片给定的额定最高结温时,芯片就可能会损坏。热阻越小,则表示散热性能越好。

 

𝜃JA

𝜃JA是芯片 Die 表面到周围环境的热阻,单位是°C/W。周围环境通常被看作热“地”点。𝜃JA取决于IC 封装、电路板、空气流通、辐射和系统特性,通常辐射的影响可以忽略。𝜃JA专指自然条件下(没有加通风措施)的数值。由于测量是在标准规范的条件下测试,因此对于不同的基板设计以及环境条件就会有不同的结果,因此此值可以用于比较封装散热的容易与否,用于定性的比较。

 

𝜃JC

𝜃JC是芯片 Die 表面到封装外壳的热阻,外壳可以看作是封装外表面的一个特定点。𝜃JC取决于封装材料(引线框架、模塑材料、管芯粘接材料)和特定的封装设计(管芯厚度、裸焊盘、内部散热过孔、所用金属材料的热传导率)。对带有引脚的封装来说,𝜃JC在外壳上的参考点位于塑料外壳延伸出来的 1 管脚,在标准的塑料封装中,𝜃JC的测量位置在 1 管脚处。该值主要是用于评估散热片的性能。

注意𝜃JC表示的仅仅是散热通路到封装表面的电阻,因此𝜃JC总是小于𝜃JA。𝜃JC表示是特定的、通过传导方式进行热传递的散热通路的热阻,而𝜃JA则表示的是通过传导、对流、辐射等方式进行热传递的散热通路的热阻。

 

𝜃CA 

𝜃CA 是指从芯片管壳到周围环境的热阻。𝜃CA 包括从封装外表面到周围环境的所有散热通路的热阻。

根据上面给出的定义,我们可以知道:𝜃JA =𝜃JC + 𝜃CA。

 

𝜃JB

𝜃JB是指从芯片表面到电路板的热阻,它对芯片 Die 表面到电路板的热通路进行了量化,可用于评估 PCB 的传热效能。𝜃JB包括来自两个方面的热阻:从芯片 Die 表面到封装底部参考点的热阻,以及贯穿封装底部的电路板的热阻。该值可用于评估 PCB 的热传效能。

从这里,我们可以看出,热量的传递主要有三条路径,

第一:芯片 Die 表面的热量通过封装材料(Mold Compound)传导到器件表面然后通过对流散热/辐射散到周围。

第二:是从芯片 Die 表面到焊盘,然后由连接到焊盘的印刷电路板进行对流/辐射散。

第三:芯片表面热量通过 Lead Frame传递到 PCB 上散热。

 

热阻的应用

MOSFET的功率损耗主要受限于MOSFET的结温,基本原则就是任何情况下,结温不能超过规格书里定义的最高温度。而结温是由环境温度和MOSFET自身的功耗决定的,所以在实际测试和计算需要获取以下参数

① 求的IC工作时的功率

②在实际工作环境下,用热电偶/热成像获得环境温度和壳温

③带入公式,求得实际结温。

温度之间的换算关系:Tc=Tj-P*Rjc 或者Ta = Tj -P* Rja。

case1、当我们知道了MOSFET的壳温Tc(Ta的计算方式相同),根据公式就可以估算结温

假设测的器件壳温下Tc=45℃,最大功耗通过计算为P=1.2W(P=VDS*ID) ,Rjc =83.3。则可以得到Tj=45+1.2*83.3=144.96。把这个值和规格书的结温进行比较,通常需要降额进行使用。

case2、反过来假设已经知道结温不能超过150℃后,壳温Tc=45℃,则可以计算最大功耗的值 : P=(Tj-Tc)/Rjc = (150-45)/83.3 = 1.26W

 

Part2:电性能相关的参数

这部分的参数是我们经常提到并且用到的,相关的参数如下表所示

图:电性能相关参数

 

1、漏-源极击穿电压(BVDSS

BVDSS 是反向偏压的体二极管被击穿,且雪崩倍增引发大量的电流在源极和漏极之间流动的电压。

BVDSS的含义虽然与VDS略有差异,但是在数值上一般是相同的。一般技术手册中给出的VDSS为额定值,BVDSS给出的是最小值,所谓数值相同,是VDSS的额定值与BVDSS的最小值相同。

VDS电压偶尔超过VDSS,MOSFET会进入雪崩击穿区,可能不会马上损坏MOSFET,但是经常超过的话会使MOSFET性能下降或者损坏。

图:MOSFET结构示意图

BVDSS电压呈现两个特性:

①如下图所示,当测试的IDSS值越大,所得到的BVDSS电压值越高。因此使用不同的测试标准时,实际的性能会有较大的差异。

BVDSS并不是一成不变的,它具有正温度系数,温度越高耐压越高。如下图所示

其中ΔBVDSS/ΔTJ参数表明了BVDSS的正温度系数,它表示温度每上升1℃则BVDSS升高0.6V。

温度越低耐压也越低,有时候低温启动的损坏有可能就是这个原因,所以要降额使用。

因此在MOSFET的使用中,一定要保留足够的VDS电压裕量,其中一点就是为了考虑到低温时MOSFETBVDSS变小,另外一点是为了应对各种恶劣条件下的VDS电压尖峰。

BVDSS测试方法:

参考下图,短接G-S端,在S-D端串入直流电源和负载。

设置负载恒流模式和负载拉载值115mA,设置直流电源电压。同时使用数字万用表测试S-D端电压VSD

环境搭建完成后,从0开始逐步增加电压源电压,当Load到达额定电流(电流值根据数据手册来确定)后,记录此时的Source-Drain端电压,即为VSD

 

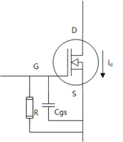
2、栅极门槛电压 ( VGS(TH) )

VGSth)是指加的栅源电压使mosfet打开的起始电压,MOSFETGS电压要大于VGSth)才能够开通。它与VGS/VGSS参数不同,VGS表示MOSFET所能承受的最大栅源极电压。

VGS电压的两个特性:

VGSth)电压小于VGSthMOSFET是不开启的,当VGS电压超过阈值后,MOSFET才逐渐导通,即RDS逐渐减小,只有当VGS电压增加到一定程度时,此时RDS达到最小值并基本保持不变。

如上图所示,当ID电流一定的情况下,VGS电压越小,VDS之间的压差越大(VDS电压与RDS成正比)。

如上图所示,VGS=4.5V的时候,RDS随着ID的增加而增加。VGS电压增加到10V以后,RDS基本保持不变。

VGSth)呈现负温度系数特性,当温度上升时,MOSFET将在比较低的VGS电压下开启。假设产品要在负温度条件下运行,避免不能正常开机,要考虑VGSth)的情况。

如下图所示,当ID保持不变时,温度越高,VGS电压在比较低的情况下就可以打开MOSFET

VGS(th)测试方法:

参考下图,短接G-D端,在D-S端串入直流电源和负载,设置负载恒流模式。同时使用万用表测试G-S端电压。

环境搭建完成后,启动负载拉载,从0开始逐步增加电压源电压,Load到达额定电流(电流值根据数据手册来确定)后,记录此时的万用表电压即为VGSth

 

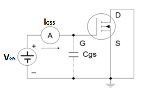
3、栅极漏电流(IGSS)

IGSS表示栅极驱动漏电流,值越小越好,对系统的效率影响就越小,通常在nA级别。

栅极漏电流一般通过驱动电压和测量相应电流来确定,由于氧化物的质量或材料的物料特性,漏电流有很大的区别。

IGSS测试方法:

参考下图,短接D-S端,然后在栅极-源极两端施加最大允许电压,再监测栅极-源极漏电流。

由于漏电流比较小,所以要使用SMU来进行测量。SMU是一个具有测量功能的四象限源电流/吸电流操作设备,它采用FVMI(电压驱动、电流测量)和FIMV(电流驱动、电压测量)模式。它可以提供指定的电压并测量电流。它也可以提供指定的电流,然后测量通过DUT的电压。SMU可以实现非常低的电流范围(nA,pA),分辨率为fA,甚至aA。因此,毫无疑问,SMU可以准确测量MOSFET漏电流。

下图所示为典型测量 MOSFET 栅漏电流的配置。进行MOSFET漏电流测试需要三个SMU通道,SMU1 连接到栅极并扫描栅极电压和测量产生的泄漏电流。连接到漏极端的 SMU2和连接到源极端的 SMU3 都将偏置设为 0V。

 

4、漏-源极漏电流 ( IDSS )

测量漏源极漏电流,首先将栅极和源极短路,然后在漏极-源极两端之间施加最大允许电压,监测漏极-源极的漏电流。测试方法与IGSS相类似。

 

5、漏-源极导通电阻 ( RDS(on) )

Rds(ON)是MOSFET工作(启动)时,漏极D和源极S之间的电阻值。MOSFET在导通后,Rds(ON)的值不是一成不变的,主要取决于VGS的值。Rds(ON)的值一般都是在mΩ级别,当MOSFET电流达到最大时,则Rdson必然是最小的。

RDS(on)测试方法:

参考上图,使用直流电源1给G-S端供电,并设置直流电源1的电压(VGS)远大于导通电压。

在D-S端串入直流电源2和负载,设置负载恒流模式和负载拉载值Id,设置直流电源2电压。同时使用数字万用表测试D-S端电压VDS。

启动电源1、电源2、电子负载,记录此时的万用表电压即为VD-S。根据欧姆定律:Rds(ON)= VDS/Id。

 

6、正向跨导 ( gfs )

正向跨导表示 MOSFET 的信号增益(漏极电流除以栅极电压,漏极输出电流的变化量与栅源

电压变化量之比)。高gfs 表明栅极 VGS 低电压可以获得高电流 ID 的能力。它也可以由下列公式计算出:

gfs反应了栅极电压对漏源电流控制的能力,gfs过小会导致MOSFET关断速度降低,关断能力减弱。过大会导致关断加快,EMI特性差,同时伴随关断时漏源会产生更大的关断电压尖峰。

 

Part3:最大额定值相关的参数

主要包括VDS、VGS、ID、IDM、IAS、EAS、PD、TJ、TSTG几个参数,参数列表如下所示

 

1、源极电压(VDS

VDS是指MOSFET的漏源极的绝对最大值电压,在管子工作时,这两端的电压应力不能超过最大值。在MOSFET选型时,VDS电压都要降额80%选用。

1.1 VDS电源的测试方法

浮动示波器的机箱接地。不建议采用这种方法,因为其安全性非常差,容易对用户造成人身伤害,损坏被测设备和示波器。

使用两个传统无源探头,其地线相互连接,同时使用示波器的通道数学运算功能。这种测量称为准差分方法。但是,与示波器放大器结合使用的无源探头缺乏足够的共模抑制比(CMRR)来充分阻塞任何共模电压。这种设置不能充分测量电压,但可以使用现有探头。

使用商用探头隔离器,隔离示波器的机箱接地。探头的地线不再位于接地电位,探头可以直接连接到测试点上。探头隔离器是一种有效的解决方案,但成本较高,其成本是差分探头的2~5倍。

在宽带示波器上使用真正的差分探头(VDS电压一般比较高,注意差分探头的电压范围),精确测量VDS

1.2 VDS电压的测试case

测量电源在稳态、动态、OC、short状态下的VDS电压值

1.3 VDS电压的spec来源于MOSFET的datasheet

1.4 VDS的电压通常要降额80%或90%进行使用。所以在测试用例中spec要乘以0.8/0.9

1.5 VDS电压测试的注意事项

①带宽选择:通常VDS电压推荐使用100M以上的示波器带宽和探头带宽。

AC-DC 开关电源测量Vds电压推荐使用100MHz以上的示波器系统带宽,低压 DC-DC 开关电源测量Vds电压推荐使用350MHz以上的示波器系统带宽 。

②采样率要满足带宽需求:示波器实际采样率要大于要求带宽的4倍,如果采样率达不到测试所需带宽的4倍以上,同样会使测试结果变小,因此进行Vds电压测试时要合适设置示波器水平时基。

③地线要越短越好:长地线对测试结果的影响主要是因为地线寄生电感会使探头带宽降低,同时可能会使信号造成震荡。

④无源探头要校准

无源探头补偿不当对Vds电压测试结果影响非常大,探头过补偿,会使测试结果偏大,工程师会根据错误的测试结果选择耐压更高(当然也更贵)的开关管,会造成产品成本提高;但是,相比过补偿,探头欠补偿带来的后果更为严重,因为探头欠补偿都会造成peak电压测试结果偏低,可能会使本来已经超过耐压的信号在示波器上显示出来还能符合元器件使用要求。

⑤电压电流不要同时测

在测量 MOSFET 安全工作区(SOA)时,需要电流探头与电压探头同时进行测试以绘制电流和电压交叉点,但是要注意,电流探头测量时需要破坏开关管原来的走线,同时在串入一根更长的线,由于寄生电感的影响,这根线会使 Vds 瞬态电压明显变高,影响测试结果。因此,在测量 Vds peak电压时一定要保证待测开关管相关布线为初始状态。

 

2、 栅-源极电压(VGS)

VGS是指MOSFET的栅源极的工作驱动电压,在工作中,这两端的电压不能超过最大值。注:这里的±20V代表的是VGS电压可以使用正电压导通,负电压关断。一般MOS采用0电压就可以关断,负电压为了提高关断的可靠性。IGBT虽与MOS类似,但是IGBT明确了要使用负电压进行关断。

 

3、漏极持续工作电流( ID )

ID 是指 MOSFET 的持续工作电流,它可由下列公式计算得出:

TJ = 结温

TC =壳温

RDS(ON) = 漏-源极导通电阻

RθJC = 结-壳热阻

K = 导通电阻-结温系数

注:ID中并不包含开关损耗,并且实际使用时保持管表面温度在25Tcase)也很难。因此,硬开关应用中实际开关电流通常小于ID 额定值@ TC = 25的一半,通常在1/31/4

 

4、 脉冲漏极电流( IDM )

IDM 是代表 MOSFET 安全工作区域的电流最大值,MOSFET 只有在安全工作区域运行,才能确保电源系统的稳定性。

 

5、单脉冲雪崩电流( IAS )

测试 MOSFET 的 UIS 电路时,MOSFET 导通,使电感充电。当 MOSFET 关闭,电感瞬间放电,导致 MOSFET 上的 Lx(di/dt)的电压摆幅超过 MOSFET 的 BVDS,导致 MOSFET 进入雪崩效应,这个电感瞬间放电的电流,即为雪崩电流 IAS。

 

6、单脉冲雪崩能量( EAS )

针对确认 MOSFET 的强固性,UIL (非嵌位电感负载) 或 UIS (非嵌位感性开关) 测试是非常重要的。EAS 表示超过 VDS 时任一脉冲的最大能量。当 MOSFET 处于关闭状态时,电感上累积的电压超过 MOSFET 击穿电压 BVDS 后,导致雪崩击穿,雪崩击穿发生时,电感瞬间放电流会流过关闭的 MODFET,导致高功率损耗。当周遭线路有电感负载或瞬间负载运行时,这个参数是要考虑的。

UIS 测试电路,当提供 VGS 驱动信号给待测 MOSFET,待测 MOSFET 导通,电流开始储存在电感 L,电流线性增长,如上图所示。当 ID 达到 IAS 时,待测 MOSFET 此时开始关闭的,导致电感将储存的能量释放出来,强迫使待测 MOSFET 达到击穿电压值(BVDS)。而待测 MOSFET 保持(BVDS)电压击穿模式,直到所有能量释放完了。IAS 与 BVDS 交迭的蓝色区域为 EAS(单次雪崩能量)。

 

7 、总耗散功率( PD )

PD 是指 MOSFET 的最大耗散功率,此外,此功率的大小由不同的温度条件决定。

在壳温 (TC) 条件下,PD公式如下:

在环境温度(TA)条件下,PD 公式如下:

TJ = 结温

TC = 壳温

RθJC = 结-壳热阻

RθJA = 结-环境热阻

 

8 、工作结温和存储温度范围 ( TJ , TSTG )

TJ 是指 MOSFET 最大的工作结温,MOSFET 工作时要避免出现超过结温规格值的情况。

TSTG 是指存储或运输 MOSFET 的温度范围,它是存储的限定温度值。

 

Part4:动态性能相关的参数

主要包括Qg、MOSFET的电容、开关时间等。参数列表如下所示

 

1、栅极电荷 ( Qg )

栅极电荷是指为导通MOSFET而注入到栅极电极的电荷量,有时也称为总栅极电荷。总栅极电荷包括 Qgs Qgd。Q gs表示栅极-源的电荷量,Qgd 表示栅极-漏极的电荷量,也称米勒电荷量。

单位为库伦(C),总栅极电荷量越大,则导通MOSFET所需的电容充电时间变长,开关损耗增加。数值越小,开关损耗就越小,从而实现高速开关。换言之,栅极电荷也可以表示为器件转换为导通状态时电流进入选通端接的时间积分,此时开关损耗等于栅极电荷、栅电压和频率的乘积。

通常,MOSFET的芯片尺寸(表面积)越小,总电荷量就越小,但是导通电阻会变大,因此开关损耗与工作时的损耗之间存在一个平衡关系。

 

2、电容(Ciss, Coss,  Crss)

Ciss, Coss, 和 Crss,跟栅极电荷一样影响着开关性能。MOSFET 作动的过程,就是栅极电压对源极、漏极电容充放电的过程。

Cgs:栅极和源极之间的等效电容。实际上控制电压输出后,就开始给电容Cgs开始充电,GS电容充电过程分三个阶段:

①上电瞬间电容等效成短路,GS电容的内阻为0,几乎所有的电流,都从电容上走;

②GS电容没有充满的情况下,电流分别从电阻及电容流过,但主要的电流依旧从电容走;

③ 电容充满了,电流不从电容走,只有很小的电流从电阻走。

Cgd:栅极和漏极之间的等效电容。这个电容也称为米勒电容,臭名昭著的“米勒效应”也因此产生。米勒效应,实际上是有一个固有的转移特性:栅极的电压Vgs和漏极的电流Id保持一个比例关系。

产生的问题:因为米勒电容的影响,造成mos管不能很快的进行开通和关断,中间有一段延迟时间。通过示波器测量VGS电压波形,会发现VGS波形在上升期间有一段平台,这个平台又称为米勒平台。(下图加粗线表示)

米勒平台大家首先想到的麻烦就是米勒振荡。(即,栅极先给Cgs充电,到达一定平台后再给Cgd充电)因为这个时候源级和漏级间电压迅速变化,内部电容相应迅速充放电,这些电流脉冲会导致mos寄生电感产生很大感抗,这里面就有电容,电感,电阻组成震荡电路,造成MOS误导通、烧毁等问题。

产生问题的原因:

通过上图我们分析,在t0-t1这段时间内,VGS一开始随着栅极电荷的增加而增加,开始给Cgs充电,当电容达到门槛电压后,VGS=VGSth后,MOS开始进入导通状态。

在t1-t2这段时间内,MOS开始导通,此时的id就已经开始有电流,但是电流很小。此时的D极电压比G极电压高,电容Cgd是上正下负。

然后Vgs电压继续上升,Id也会继续上升,当上升到米勒平台电压Va的时候,就会发生固有转移特性(Vgs不变,id也保持不变)。

在t2-t3这段时间内,虽然栅极电荷继续增加,但是栅极电荷也有了另外一条通路(下图紫色标注通路),栅极电荷这个时间大部分用来给电容Cgd进行充电,导致VGS电压不在增加。此时的Cgd极性与漏极充电相反,即下正上负,因此也可理解为对Cgd反向放电,最终使得Vgd电压由负变正,结束米勒平台进入可变电阻区。米勒平台时间内,Vds开始下降,米勒平台的持续时间即为Vds电压从最大值下降到最小值的时间。

通过上图我们可以分析在米勒平台的这段时间内,VGS 和id都是保持不变的,VDS从最大值降到了最小值。所以刚进入米勒平台时,在MOS管上产生的导通损耗非常的大。我们假设VDS电压从12V减低到了0.5V,id=10A保持不变,可以计算导通功耗也从 120W变为5W,这个功率的变化时很大的,如果开通时间慢,意味着发热从120w到5w过渡的慢,mos结温会升高的厉害。所以开关越慢,结温越高,容易烧mos。

Cds电容:源极和漏极之间的等效电容。

 

3、栅极电阻 (Rg)

Rg 是被设计在芯片栅极区域里,在 MOSFET 嵌入 Rg 下,栅极驱动电路可以简化设计。

 

4、开关时间

MOSFET的开通时间ton由开通延迟时间td(on)和上升时间tr组成,关断时间toff由关断延迟时间td(off)和下降时间tf组成。

4.1 td(on) –导通延迟时间

td(on)是指从 VGS 输入电压升到 10% 到 VDS下降到 90% 两点之间的时间。t0-t1时刻,驱动电平置高,打算开通MOSFET,但是由于栅极等效电容的存在,栅极电压VGS缓慢上升,由于VGS尚未达到VGSth,所以MOSFET尚未开通,这段时间代表从开始“开通”到“开通开始生效”的延迟。

4.2  tr –导通上升时间

tr是指 VDS 从 90%下降到 VDS 的 10% 两点之间的时间。

t1时刻,VGS电压达到开通门限,MOSFET开始导通,由于漏源之间的等效电容,从t1时刻开始,VD逐渐降低,ID逐渐增大。t2时刻,VD达到最低,ID增至最大,MOSFET完成开通过程。

实际上,在tr时间段内,VGS电压会因为“米勒平台”维持不变,在t2时刻以后,VGS电压逐渐上升到驱动电压的最大值。

这段时间称为上升时间,代表了ID电流上升到最大所需要的时间。

4.3  td(off) –关断延迟时间

td(off)是指 VGS 下降到 90% 到 VDS 上升到其关断电压的 10% 两点之间的时间。t3-t4时刻,驱动电平置低,打算关断MOSFET。同样由于栅极等效电容的存在,VGS只能缓慢降低,在VGS尚未降低到门限电压之前,MOSFET的导通状态不会有变化,这段时间代表开始“关断”到“关断开始生效”的延迟。

4.4 tf – 关断下降时间

tf是指 VDS 从 10%上升 到其关断电压的 90% 两点之间的时间。在t4时刻,VGS电压降低到门限电压,MOSFET关断,t5时刻,VD达到最高,ID减小至最低,MOSFET完成关断过程。

这段时间称为下降时间,代表了ID电流下降到最低所需要的时间。

作者:南峰说

HWRD

发表评论

您的邮箱地址不会被公开。 必填项已用 * 标注