Jetson Nano Baseboard 开源

 该项目包含支持NVIDIA Jetson Nano、Xavier NX和TX2 NX SoM的基板,并开源了所有硬件设计文件。它由Antmicro公司创建。Antmicro公司是一家定制硬件、软件和AI工程公司,也是NVIDIA Jetson生态系统的合作伙伴。

 

概览

电路板可通过标准的柔性扁平电缆 (FFC) 连接器与 MIPI CSI-2 视频设备连接。在 2 通道配置下,支持多达 4 个传感器;在 4 通道配置下,支持 3 个传感器。关于支持的 CSI 通道映射的更多详细信息,请查阅相关 SoM 的产品设计指南。您可在 NVIDIA 的 Jetson 下载中心获取与 SoM 相关的资源:

https://developer.nvidia.com/embedded/downloads

自 Rev.1.5 版本起,此项目的设计文件将在 KiCad 中提供和维护。

主要功能

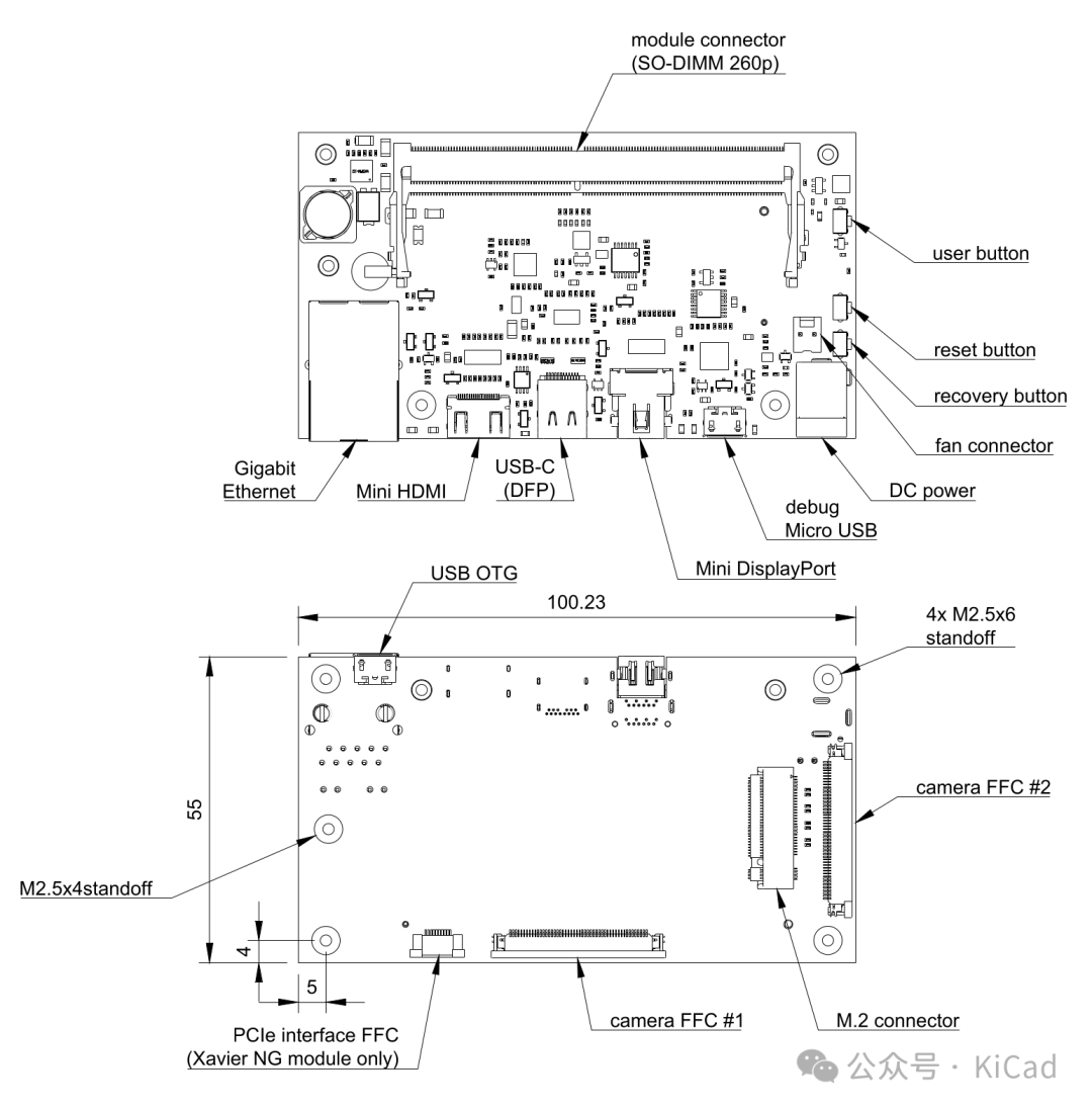
  • Jetson Nano / Xavier NX / TX2 NX SO-DIMM 连接器
  • 千兆以太网 RJ45 连接器
  • 微型 USB 调试连接器
  • USB-C DFP(主机)端口
  • Micro HDMI视频输出接口
  • Mini DisplayPort 视频输出接口
  • 2 个 50 针 FFC 连接器,最多可暴露 4 个 MIPI CSI-2 相机接口
  • 暴露 PCIe x4 接口的 M.2连接器
  • RTC 备用电池
  • 用于存储电路板 ID/SN 的 EEPROM

BSP

NVIDIA 为 Jetson Nano / Xavier NX / TX2 NX 提供的标准 Linux for Tegra (L4T) BSP 支持该基板的 I/O 接口。BSP 开箱即可与开源 Jetson 基板配合使用。如果要将基板与各种摄像头或配件一起使用,可能需要进行修改。如果您想将基板与 Allied Vision Alvium 图像传感器一起使用,则需要一个 linux-patches 目录,其中包含的对相机支持的补丁文件。

您可以使用 USB OTG 接口连接器将 BSP 镜像上传到插入基板的 SoM 中。

调试 UART 连接

大部分调试信息都是通过串行控制台提供的。电路板包含一个 FTDI 芯片,为主机 PC 提供 UART 接口。详情请参阅原理图。默认调试 UART 通道可通过 /dev/ttyUSB0 访问(假设电脑上没有连接其他 FTDI 设备)。串行调试连接的默认波特率为 115200 波特,8 位传输,1 停止位。

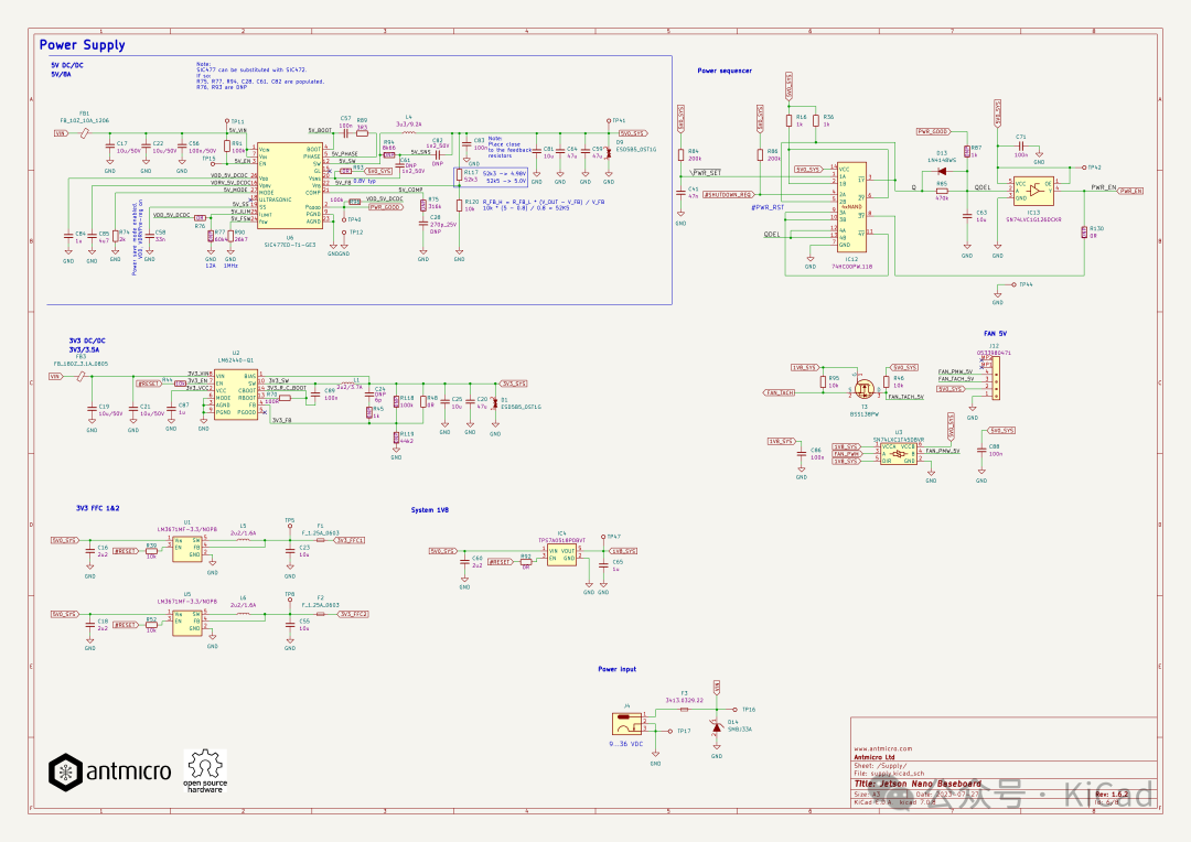
框图

原理图 & PCB

License

Apache-2.0 License。

仓库 & 下载

可以在Github中获取开源仓库:

https://github.com/antmicro/jetson-nano-baseboard

发表评论

您的邮箱地址不会被公开。 必填项已用 * 标注