到底什么是弱上下拉和强上下拉?

我们会经常听到弱上拉、弱下拉,还有与之相对应的强上拉、强下拉。强、弱到底是什么概念?阻值多大算是强和弱? 

要搞清楚这个问题,首先要先理解一下上拉电阻、下拉电阻的概念。假设有下面这么一个电路,MCU需要检测开关的通断。

当开关闭合时,MCU IO检测到0,但是当时开关开启时,IO引脚处于floating状态,容易受干扰而处于未知状态。

这时可以在IO口上加一个电阻到Vdd,这样开关断开时就能保证电平是固定的高电平1,这个电阻就叫做上拉电阻
下拉电阻类似,它的作用是开关断开时,保证电平是固定的低电平0

那么这个阻值该用多大呢?

首先阻值不能太小,因为太小,开关闭合时会产生较大的电流,会引起一来功耗大,二来也不安全。试想一下电阻为0是什么后果。

另外阻值也不能太大,阻值太大,上拉/下拉的作用就变弱,越大越接近于开路,开关断开时IO就越接近于浮空状态,就越容易受干扰。试想一下阻值无穷大是什么效果。

所以这个电阻既不太大,也不太小,一般是几K到几十K大小,兼顾了功耗和上下拉作用。

这里就引入了强弱的概念,弱就是阻值大,强就是阻值小。 

上拉 下拉
电阻大,电流小,上拉效果弱 电阻大,电流小,下拉效果弱
电阻小,电流大,上拉效果强 电阻小,电流大,下拉效果强

注意这只是个相对概念。

MCU一般内部也带上下拉电阻,可以配置是否开启,以STM32F103为例,从下图可以看出 内部有上下来on/off开关。
手册上写的是弱上拉/下拉,阻值大小典型值为40kΩ
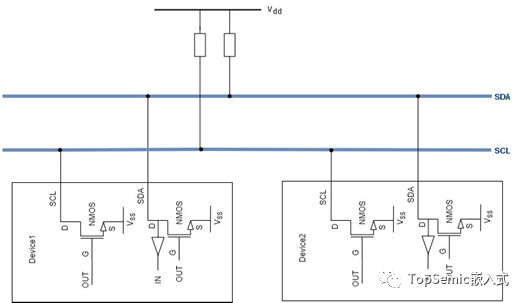
补充说明,上面介绍的上下拉电阻是对MCU IO输入来说的,输出也可能会用到,比如对于开漏输出的IO,就必须加上上拉电阻,否则输出不了高电平。原因是开漏输出结构如下,漏极是开路的
它只有一个NMOS,当控制输出0时,NMOS导通,Output Pin输出0,但是当控制输出1时,NMOS截止,输出的是高阻态。要能输出1,必须外面接一个上拉电阻。
这种结构的好处可以用在电平不匹配的场合,可以灵活的输出1.8V/3.3V/5V等高电平,只要把Vdd接到不同的电压上即可。另外它还具有”线与”的特性,即多个开漏引脚连接在一起,只有当每个都输出1时它才能输出高电平,只要有一个输出0,所有的引脚电压都被拉低。常见的IIC总线就是用这种结构

这个上拉电阻的阻值选取也是有讲究的,也是既不能太小,也不能太大。因为太小的话,IO口上就会承受较大的输入电流,而IO的输入电流是有限制的。太大的话,会影响IIC的通信速度,因为总线上还有负载电容,电阻太大,电容充放电时间就会久,影响上升沿、下降沿时间。关于这个具体计算,可以参考TI的一篇文档:https://www.ti.com/lit/ml/slva689/slva689.pdf?ts=1679814584051

发表评论

您的邮箱地址不会被公开。 必填项已用 * 标注