关于输入阻抗和输出阻抗的理解总结

输入阻抗

输入阻抗(input impedance)是指一个电路输入端的等效阻抗。在输入端上加上一个电压源U,测量输入端的电流I,则输入阻抗Rin就是U/I。你可以把输入端想象成一个电阻的两端,这个电阻的阻值,就是输入阻抗。

在同样的输入电压的情况下,如果输入阻抗很低,就需要流过较大电流,这就要考验前级的电流输出能力了;而如果输入阻抗很高,那么只需要很小的电流,这就为前级的电流输出能力减少了很大负担。所以电路设计中尽量提高输入阻抗。

输入阻抗跟一个普通的电抗元件没什么两样,它反映了对电流阻碍作用的大小。对于电压驱动的电路,输入阻抗越大,则对电压源的负载就越轻,因而就越容易驱动,也不会对信号源有影响;而对于电流驱动型的电路,输入阻抗越小,则对电流源的负载就越轻。因此,我们可以这样认为:如果是用电压源来驱动的,则输入阻抗越大越好;如果是用电流源来驱动的,则阻抗越小越好(注:只适合于低频电路,在高频电路中,还要考虑阻抗匹配问题。)另外如果要获取最大输出功率时,也要考虑 阻抗匹配问题。

  • 电压源驱动的电路

所谓电压源驱动,可以理解为没有内阻且总是充满能量的恒压电池作为能量源,给负载供电。

一个类似于能量源的电压源U,加到负载的两端,产生的电流I,那么负载的阻抗Rin就是U/I。负载上消耗的功率P=UI=U/Rin,由公式可知,这里的Rin总是起到减少电流I的作用,Rin越大,负载消耗的能量就越小;这里负载的阻抗就是负载的输入阻抗。

  • 电流源驱动的电路

与电压源驱动的电路正好相反,电流源驱动可以理解为一个电流恒定的能量源I,给负载供电。

由欧姆定律可知,产生的电压为U=I*Rin,负载消耗的功率为P=U*I=I*I*Rin,由公式可知,这里负载输入阻抗Rin起到增大功率的作用,恒流源驱动的电路,电阻越大,负载两端电压越高,消耗的功率越大。

输出阻抗

输出阻抗(output impedance) 含独立电源网络输出端口的等效电压源(戴维南等效电路)或等效电流源(诺顿等效电路)的内阻抗。其值等于独立电源置零时,从输出端口视入的输入阻抗。

无论信号源或放大器还有电源,都有输出阻抗的问题。输出阻抗就是一个信号源的内阻。本来,对于一个理想的电压源(包括电源),内阻应该为0,或理想电流源的阻抗应当为无穷大。输出阻抗在电路设计最特别需要注意。

现实中的电压源,则做不到这一点,常用一个理想电压源串联一个电阻r的方式来等效一个实际的电压源。这个跟理想电压源串联的电阻r就是信号源/放大器输出/电源的内阻了。当这个电压源给负载供电时,就会有电流I从这个负载上流过,并在这个电阻上产生I×r的电压降。这将导致电源输出电压的下降,从而限制了最大输出功率。同样的,一个理想的电流源,输出阻抗应该是无穷大,但实际的电路是不可能的。

输出阻抗,是指电路负载从电路输出端口反着看进电路时电路所等效的阻抗,其实主要是针对能量源或者输出电路来说的,是能量源在输出端测到的阻抗,俗称内阻。

电压源驱动的电路

电压源在加到负载上时,除了在负载端消耗能量,自身也会产生能量的消耗,这里是因为电压源在输出能量的时候,内部存在阻碍能量输出的阻抗,比如电池的内阻。比如恒压源U,输出阻抗为Rout,负载端电压为Ur,负载R,电流为I=U/(Rout+R),负载端电压Ur=I*R=U*R/(Rout+R),负载产生的功率为P=Ur*I=U2*R/(Rout+R)2。由此公式可知,输出阻抗越小,驱动负载的能力越大。

电流源驱动的电路

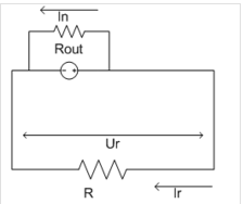
对于电流源驱动的电路,也存在输出阻抗,输出阻抗并联在恒流源两端。

电流源输出恒定电流I,一部分In消耗在内阻Rout上,剩余的电流Ir消耗在负载R上,由此可知,负载R上电压为Ur=Ir*R,和内阻Rout两端电压一致,即Ur=Ir*R=In*Rout,又因为I=Ir+In通过推导可知Ur=I* Rout * R /( Rout+R),负载端功率:

P=Ur*Ir=Ur2/Rout=I2*Rout*R2/( Rout+R)2= I2 *R2/( Rout+R2/Rout+2R)

由此可知,在Rout=R时,外端负载P最大。因此,对于恒流源负载,要想获得最大功率,需要将负载的电阻值和电流源的内阻匹配一致,即尽量趋近同一个值。

END

免责声明:本文转自网络,版权归原作者所有,如涉及作品版权问题,请及时与我们联系,谢谢!

 

作者:极客石头

在搞事情的路上越走越远。

发表评论

您的邮箱地址不会被公开。 必填项已用 * 标注