IIC总线原理及测试分析

一、概述
    在我们的各种硬件产品中,经常会用到IIC总线IIC是一种两线接口(Inter-Integrated Circuit)。它是一种串行通信总线,使用多主从架构,是由飞利浦公司在1980年代初设计的,方便主板、嵌入式系统或手机与周边设备组件之间的通讯。由于使用简单,它被广泛用于微控制器与传感器阵列、显示器、EEPROM、IOT等设备之间的通信。
1 IIC常用链路拓扑
IIC的主要特点如下:
  • 只需要两条总线,串行数据线(SDA),串行时钟线(SCL);
  • 没有严格的波特率要求,主设备生成总线时钟;
  • 所有组件之间都存在简单的主/从关系,连接到总线的每个设备均可通过唯一地址进行软件寻址;
  • IIC是多主设备总线,可提供仲裁和冲突检测;
  • SDA 线上的数据必须在时钟的高电平周期保持稳定数据线的高或低电平状态只有在 SCL 线的时钟信号是低电平时才能改变;
  • 常用速率如下:普通模式:100kHz;快速模式:400kHz;高速模式:3.4MHz

二、物理及协议层

2.1 硬件层

    SDASCL都是双向线路,都通过一个电流源或上拉电阻连接到正的电源电压,连接到总线的接口数量主要受总电容限制(一般小于400pF),最大从机数理论上是127个;
    由于SDASCL为漏极开路结构(OD),因此它们必须接有上拉电阻,阻值的大小可以是 1k8、 4k7 、10k等,当总线空闲时,两根线均为高电平;

 

2 IIC总线内部OD
当主设备决定开始或结束通讯时,需要执行以下动作:
 

 

  • 当 SCL 是高电平
  • SDA 线由高电平向低电平切换
  • 当 SCL 是高电平
  • SDA 线由低电平向高电平切换

通信开始条件

通信停止条件

3 通信开始/停止条件
IIC总线的数据有效性
    IIC总线既不是上升沿采样也不是下降沿采样,而是高电平采样;IIC 使用 SDA 信号线来传输数据,使用 SCL 信号线进行数据同步;
    SDA在SCL的每个时钟周期传输一位数据。SCL为高电平的时候SDA表示的数据有效,即此时的 SDA 为高电平时表示数据“1”,为低电平时表示数据“0”。
    当 SCL为低电平时, SDA 的数据无效,一般在这个时候 SDA 进行电平切换,为下一次表示数据做好准备。

 

3 数据有效性
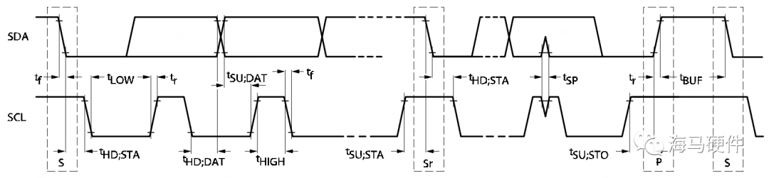
IIC总线的 F/S 模式器件的时序定义
    在测试IIC总线的时候时序测试尤为重要,也是IIC信号完整性测试的主要模块,很多情况下IIC通信问题都是时序不对导致的。IIC总线在快速模式和普通模式下的时序定义如下图;
5 IIC总线在F/S模式时序定义
  • 重复起始条件的建立时间(tSUSAT

  • 起始条件的保持时间(tHDSAT

  • 数据保持时间(tHDDAT

  • 数据建立时间(tSUDAT

  • SDASCL信号的上升时间(tr

  • SDASCL信号的下降时间(tf

  • 停止条件的建立时间(tSUSTO

  • 停止和启动条件之间的总线空闲时间(tBUF

    测试信号时序时需要注意具体的波形卡点位置,卡点位置不对情况下会导致测出来的数据不是真正的实际数据;具体的卡点位置还要参考被测单板所使用的芯片规格书的要求,根据具体的datasheet要求来测试卡点,一般情况下这三种情况较多:【10%90%】、【0.8V2.0V】、【0.3VDD0.7VDD】;
F/S模式 IIC总线器件SDASCL总线时序标准
    在标准模式和快速模式情况下,总线的时序标准是一致的,无论在哪种产品都要以如下标准来判定时序测试的通过与否。
图6 F/S模式IIC总线器件SDASCL总线时序标准
IIC总线的数据传输格式(7位寻址)
    IIC总线寻址方式分为7位寻址和10位寻址,因为目前我们硬件产品所用到的都是7位寻址方式,所以介绍一下7位寻址模式的数据传输格式。
7. 7位寻址方式数据传输格式
    如上图所示:在起始条件 S 后,主机发送了一个从机地址,这个地址共有 7 位;第8位是数据方向位 R/ W 0 表示发送 (写), 1 表示请求数据 (读);第9位为应答位(ACK),应答位低电平有效;后面为数据传输,每一组数据对应一个应答位。
    如果主机仍希望在总线上通讯,可以产生重复起始条件 Srrestart)和寻址另一个从机或寄存器,而不是首先产生一个停止条件,在这种传输中,一个数据串中可能既包括读也包括写的格式。
8 带重复起始条件的7位寻址方式数据传输格式
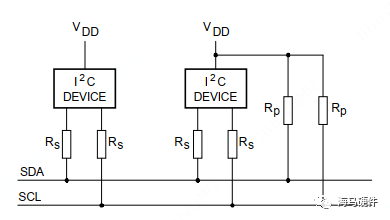
IIC总线器件SDASCLI/O级的特性
1、使用非标准电源电压(不遵从IIC 总线系统电平规定)的器件必须将输入电平连接到有上拉电阻Rp VDD 电压;
2 最大的 VIH=VDDmax+0.5V
9 F/S 模式 IIC 总线器件 SDA SCL  I/O 级的特性
标准模式IIC总线器件电阻RpRS的最大和最小值
  1. 1.   电源电压限制了电阻 Rp 的最小值 ,因为输出级在 VOLmax=0.4V 时指定的最小下拉电流是 3mA ;

  2. 2.   低电平要求的 0.1VDD 噪声容限限制了 RS 的最大值;

  3. 3.   总线规定的上升时间及电容的存在限制了 Rp 的最大值 ;

  • Rp:总线的上拉电阻值;
  • Rs:总线的串阻值;
10 IIC上拉和电源供电示意图
最小上拉电阻vs电压
串阻vs上拉电阻

2.2  IIC总线固件工作过程

    在通信之初,主从机必须根据自己的要求约定好通信规则:command的定义和位置、address的位数和位置。
    以读写从机的寄存器数据为例:假设主机寄存器地址为8位、从机寄存器也为8位;约定读寄存器的command0x01,写寄存器command0x02;约定主机发起通信后,第一个slave address字节收到ack后,紧跟的一个字节为command,再下面一个字节为寄存器地址address
写(主往从设备写数据)
主机:发起通信,按约定依次写入command、要写入的从机寄存器地址address和要写入的数据data
从机:分别提取commandaddressdata,根据command做出判断是读还是写,将data存入入与到接收的address对应的寄存器;
13 主设备往从设备写数据格式
读(主设备读取从设备数据)
主机:先发起一次通信,将读command(0x01)和需要读取的寄存器地址address写入总线;
从机:分别提取commandaddress提取;判读command的定义;根据收到的address,将对应的寄存器数据放入从机的IIC输出buffer
主机:再次发起一次通信(restart),读取从机的数据;
主设备读取从设备数据格式
restart读取从设备数据格式

三、IIC总线测试分析

    几乎所有的iot产品、it产品、摄像机、服务器产品等在单板和整机通信中都会使用到IIC总线用于信息传输,所以对总线的可靠性、稳定性的要求也是非常高,测试的把关需严格要求。
    IIC总线测试主要包括主机对从机的读测试写测试、总线信号的信号质量测试信号时序测试等。根据所使用的芯片不同,一般需要查找芯片规格书的参数,以制定不同的测试用例参数。
    以下是关于IIC总线测试的一些典型问题。
 波形畸变
    WhiteRead时发现时钟信号畸变,测试时钟频率约为367kHz
测试发现SCL波形畸变 整改后SCL波形正常
    原因分析:固件配置IIC传输速率错误,没有按照要求的速率配置,实际速率与IC和硬件电路的参数不匹配,导致波形畸变。
  •   时序问题
    MCU和从机之间IICSCL上升时间为1.2us,指标要求1us以下。
SCL的上升时间超标 整改后SCL上升时间正常
    原因分析:由于此链路的IIC总线的上拉电阻选用太大;导致了SCL的上升时间太大(上拉电阻太大还可能导致电平时间低于预期)。
  •   时序问题
    数据保持时间不符合要求,数据超前时钟。
 时钟在SDA之外变化 整改后SCLSDA内变化
    原因分析: slave芯片部分批次存在固有缺陷,使用旧批次芯片问问题解决。
  信号质量问题
    测试发现IIC总线存在过冲现象,最大电压能达到4.1V;超过芯片能承受的最大3.6V和最小-0.3V电压。
SCL存在过冲现象 整改后SCL在标准内
原因分析:接收端信号震荡导致,存在一定的信号反射导致scl存在尖峰波形超过标准。(注意:探头接地线太长也会导致类似过冲现象)解决方案:接收端加一个22欧姆的电阻作为阻抗匹配,后效果明显改善;
作者简介:「田风华」。

作者:极客石头

在搞事情的路上越走越远。

发表评论

您的邮箱地址不会被公开。 必填项已用 * 标注