以太网硬件电路设计

实现以太网通信硬件电路方法很多,一般情况是CPU+MAC+PHY+网络变压器+RJ45。整个硬件电路最多用5个电子器件完成。

随着集成电路的发展,很多功能被集成在一起,简化硬件电路的设计。

 

上述那种方法,器件较多,开发难度比较大。下面列举其它3种方法。

1、CPU(集成MAC层),外接一个PHY芯片,网络变压器和RJ45,总计4个器件。

2、CPU,外加一个MAC和PHY集成一体芯片,外加RJ45(集成网络变压器),总计3个电子器件。

3、CPU,加一个MAC芯片和一个PHY芯片,外加RJ45(集成网络变压器),总共4个器件。

总体来说,1和2方案最好,用的电子器件少。第2个方案,开发难度较小。

 

一、CPU(集成MAC层)+一个PHY芯片+网络变压器+RJ45

以太网PHY芯片采用AR8031,它与CPU有2种连接方式,一种是RGMII,另外一种是SGMII。

CPU采用的是恩智浦的i.MX6系列单片机,cortex-A9内核,主频1个G。CPU集成以太网控制器(MAC),硬件集成IEEE1588协议。严格来讲,这款单片机属于ARM,能跑Linux操作系统。

RGMII接口对应的数据线比较多,包括4个接收数据线、4个发送数据线、接收数据时钟、发送数据时钟等。

图1是单片机i.MX6Q对应的连接电路:

图1 单片机 i.MX6对应的网络接口

 

图2是PHY芯片AR8031原理图,AR8031是高通公司生产低功耗PHY芯片。

图2:PHY芯片AR8031的原理图

 

通过PHY芯片后,然后连接一个网路变压器,网络变压器的作用有,增大驱动能力,增强抗干扰能力,还有阻抗匹配和保护隔离的作用。

最后接RJ45网口。

图3 网络变压器的原理图

 

图4 RJ45接口

 

二、CPU(具有SPI接口),外加一个MAC和PHY一体芯片(集成TCP/IP协议)。两者通过SPI接口进行通信。最后加一个RJ45(集成网络变压器)。这种方案硬件电路简单,软件开发难度也不大。

图5是恩智浦公司的i.MX RT系列跨界MCU,这款单片机优点是成本低,功能强大。缺点也很明显,没有内嵌flash,下载程序程序需要外挂flash。

图5单片机MIMXRT1052 SPI接口原理图

 

图6是W5500电路图,这款以太网芯片是微知纳特公司生产的,芯片内部集成TCP/IP协议栈。

图6 W5500原理图

 

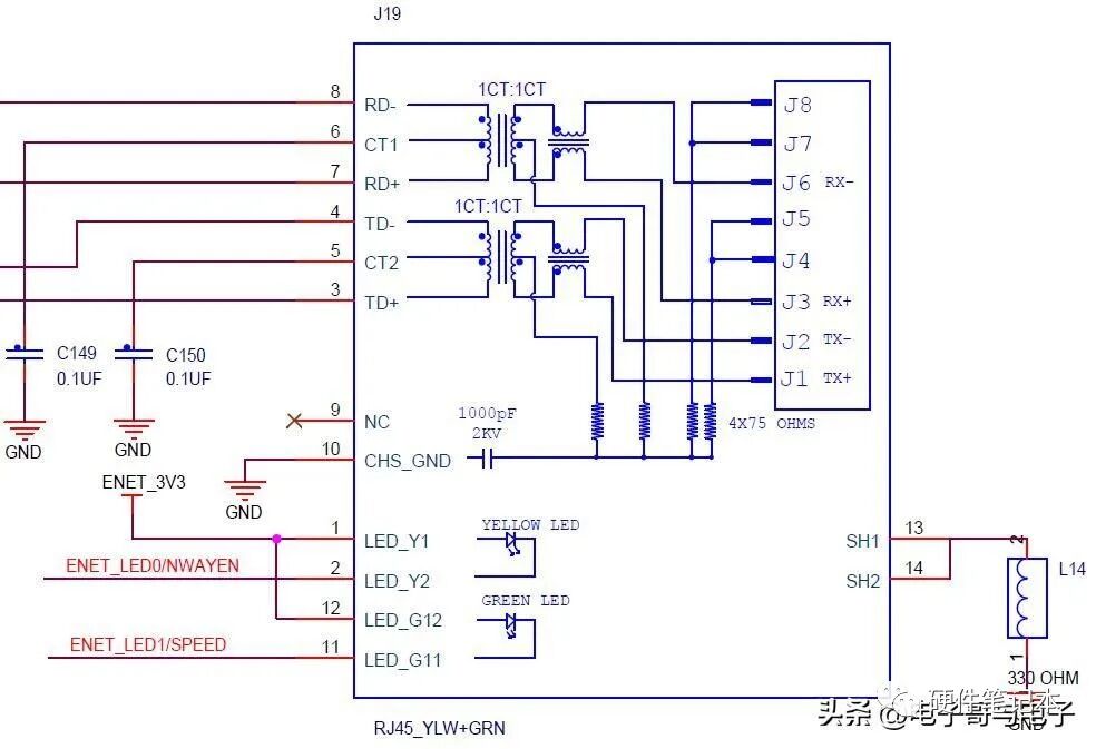
图7 是RJ45电路图,带有2个指示灯,内部嵌有网络变压器。

图7 RJ45的电路图

发表评论

您的邮箱地址不会被公开。 必填项已用 * 标注