开源硬件-ESP Rust Board

 使用 KiCad 设计的兼容 Feather 规范的 ESP32-C3 开源硬件。 

 

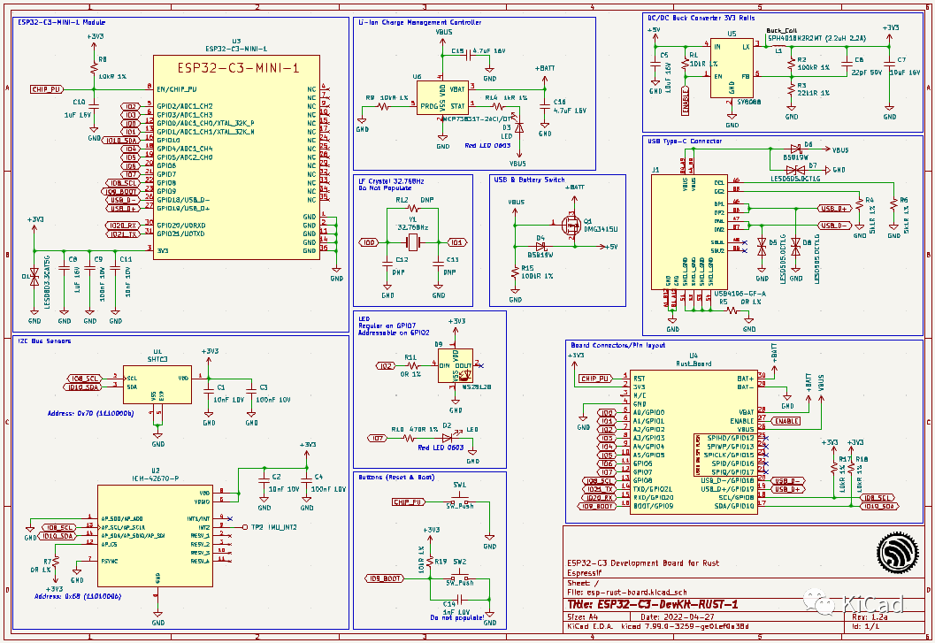
概览
该电路板基于 ESP32-C3,包括传感器、LED、按钮、电池充电器和 USB Type-C 连接器。

Soc 功能

  • 符合 IEEE 802.11 b/g/n 标准
  • 蓝牙 5、蓝牙网格
  • 32 位 RISC-V 单核处理器,频率高达 160MHz
  • 384 KB ROM
  • 400 KB SRAM(16 KB 用于高速缓存)
  • 8 KB RTC SRAM
  • 22 × 可编程 GPIO
  • 3 × SPI
  • 2 × UART
  • 1 × I2C
  • 1 × I2S
  • 2 × 54 位通用定时器
  • 3 × 看门狗定时器
  • 1 × 52 位系统定时器
  • 远程控制外设 (RMT)
  • LED PWM 控制器 (LEDC)
  • 全速 USB 串行/JTAG 控制器
  • 通用 DMA 控制器 (GDMA)
  • 1 × TWAI®
  • 2 × 12 位 SAR ADC,最多 6 个通道
  • 1 × 温度传感器

管脚 Layout

左侧:

右侧:

原理图 & PCB

License

CERN Open Hardware License Version 2

仓库 & 下载

可以在Github中获取开源仓库:

https://github.com/esp-rs/esp-rust-board

作者:极客石头

在搞事情的路上越走越远。

发表评论

您的邮箱地址不会被公开。 必填项已用 * 标注