开源硬件—宠物跟踪器

一款电池寿命长达数月,(Near Home 模式下,待机功耗18uA,350mA电池,可工作2年),可在室外和室内工作的开源宠物跟踪器(FindMyCat)。

从原理图,PCB,Gerber Files,软件,IOS APP程序都非常完善的一个项目,非常棒~

以下为开源FindMyCat宠物跟踪器的官方存储库集合。在这里,您可以找到构建自己的程序所需的所有代码和硬件文件(原理图,PCB,Gerber Files)。

  • 官方网站:www.findmycat.io
  • 文档说明:www.findmycat.io/docs
  • Github地址:

    https://github.com/FindMyCat/

     

1.FindMyCat宠物追踪器主要特点

  • 使用定位技术,可以在LTE网络覆盖的地方定位你的宠物的位置。
  • 使用苹果的近距离交互框架,蓝牙低功耗和超宽带技术(UWB),可以精确地找到你的宠物的位置,误差只有10厘米。
  • 它有一个智能绑定功能,当你的宠物在家里时,它会和FindMyCat HomeStation建立一个虚拟的绳索,这样可以让GPS和LTE功能进入深度睡眠状态,节省电量,并通过家庭wi-fi发送位置更新。
  • 它的电池可以持续6个月,比90%的商业产品都要长。
  • 完全开源,你可以自己制作或者修改它。

     

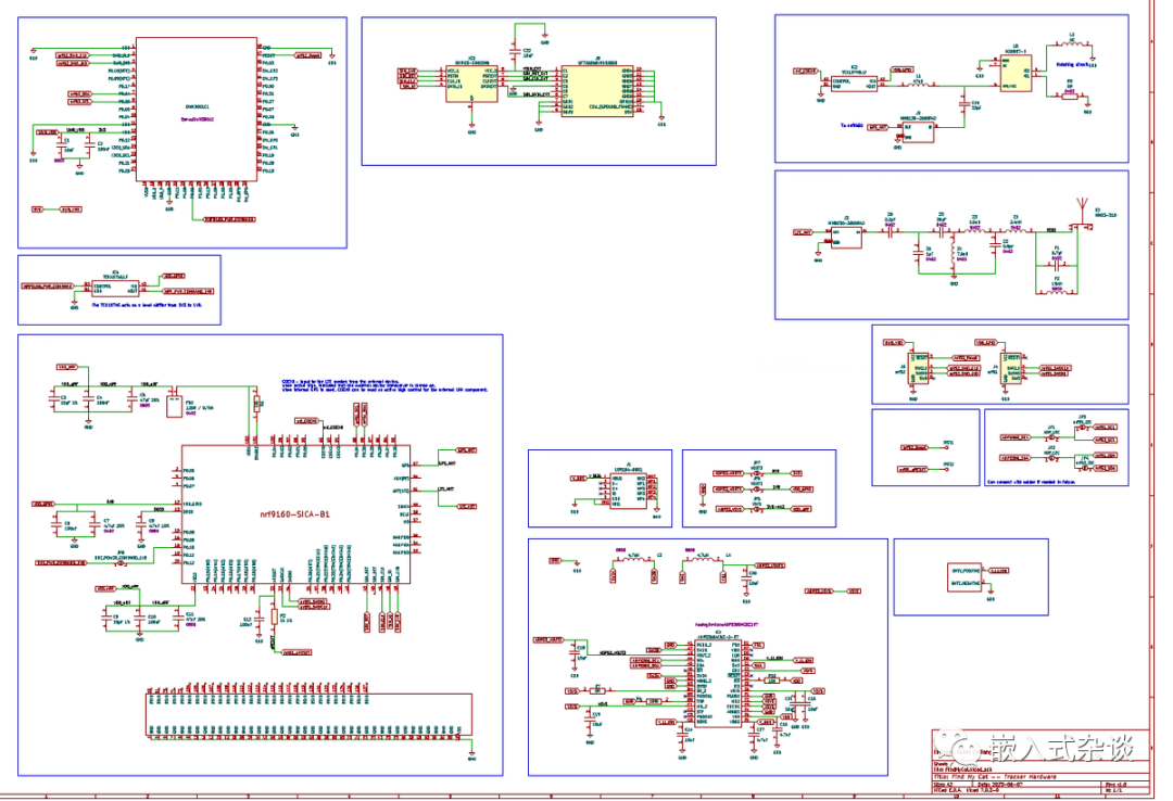
2.硬件部分

原理图

PCB

FindMyCat PCB采用一块 4 层PCB电路板。

 

LTE 和 GPS 线路的阻抗必须控制在 50Ω 阻抗。所有通孔必须填充并封盖。(焊盘中的通孔)由于涉及 BGA 元件,因此最好使用 ENIG工艺进行 表面处理。

后续将进行的改进

  • 尽可能避免使用 BGA:虽然 BGA 元件提供了紧凑的设计,但却大大增加了制造成本。
  • 整合天线:由于 NRF-9160 一次只使用 LTE 或 GPS 无线电,因此可以将两根天线合并为一根。

     

主要器件

  • DWM3001C,一款基于 Qorvo DW3110 IC 的全集成 UWB 模块。DW3110 IC、nRF52833 BLE SoC、平面 UWB 天线、加速度计、电源管理和晶体的集成简化了设计周期。它符合 IEEE 802.15.4a 和 IEEE 802.15.4z BPRF 模式,允许以 10 厘米的精度定位物体。该模块通过在 UWB 通道 5 (6.5 GHz) 和通道 9 (8 GHz) 上运行而获得全球 UWB 支持。

  • NRF9160-SICA-B1A-R, 一款外形紧凑、高度集成的系统级封装(SiP),它使最新的低功耗LTE技术和先进的处理和安全触手可及且易于使用,适用于各种单设备低功耗蜂窝物联网(cIoT)设计。内置Arm Cortex-M33应用专属处理器、全LTE调制解调器、射频前端(RFFE)和电源管理系统。
  • ADP5360ACBZ-1-R7 ,ADI的一颗PMIC,32 pin 2.56 mm × 2.56 mm晶圆级芯片规模封装(WLCSP),用于单一锂离子(Li-Ion)/锂聚合物(Li-Poly)电池充电的高性能线性充电器与一个可编程的超低静态电流电量计和电池保护电路、一个超低静态降压、一个升降压开关稳压器以及一个监控电路组合在一起,可用于监控输出电压。
  • EMIF03-SIM02M8 ,ST的一款 3 线高度集成器件,设计用于抑制所有受电磁干扰系统中的 EMI/RFI 噪声。该滤波器包括 ESD 保护电路,可防止外部引脚受到高达 15 kV 的 ESD 浪涌时对应用造成损坏。
  • TCK107AG,LF ,Toshiba的负载开关IC
  • M20057-1,紧凑型一体化 GNSS PCB天线模块,内置 LNA 和滤波器,Frequency: 1559 – 1609 MHz,外形尺寸 7.0 x 7.0 x 0.9 mm

     

3D打印

FindMyCat跟踪器有三个部件需要打印。

顶盖 Top Cover底座 Chassis底盖 Bottom Cover

建议使用3D打印机打印,以满足此项目所需的压配部件和公差要求。

3.软件部分

嵌入式软件包括三个部分。

  • outdoor-location-engine 室外定位引擎
  • indoor-location-engine 室内定位引擎
  • homestation

这三个固件的设计目的是协调配合,优化定位精度和电池寿命。

总体架构

每个固件都有专门的页面介绍如何配置,以上是总体架构图。

简单地说,有两种方式可以响应(report location报告位置),一种是来自 Tracker PCB(Responder响应器)的内部响应,另一种是来自 HomeStation 的外部响应。我们的目标是在使用这两种应答方式时,尽量减少对Tracker电池的使用,同时确保设备位置的可见性。

HomeStation 和 Tracker PCB 都会发布 BLE 广告数据包,并以不同的时间间隔扫描数据包,以相互传递可见性。

HomeStation 每秒发布一次 BLE ADV 数据包,IndoorLocationEngine 每 30 秒扫描一次。当数据包可见时,IndoorLocationEngine 会让主控芯片NRF-9160 进入深度睡眠,HomeStation 则通过 WiFi 报告位置。

当IndoorLocationEngine 没有看到 HomeStation 在附近时,它会激活 OutdoorLocationEngine 并进行定期报告。

outdoor-location-engine室外定位引擎基于 nRF Connect SDK (Zephyr) 构建,主要做以下两件事:

监听和响应外部命令向云报告位置

indoor-location-engine室内定位引擎基于 nrf5 SDK(传统),负责以下四项工作:

为 HomeStation 和 iOS 应用程序发送 BLE 数据包扫描来自 HomeStation 的数据包命令outdoor-location-engine室外定位引擎(启动/关闭)启用UWB (精确室内定位)进行测量

HomeStation

HomeStation 与跟踪器设备建立虚拟连接,当连接激活时,跟踪器会进入深度睡眠状态,只有 BLE 功能仍可运行。同时,HomeStation 负责通过 WiFi 传输设备的位置信息。

这意味着跟踪器的位置保持可见,同时消耗的电池电量极低。

程序烧录

FindMyCat 跟踪器PCB:

NRF 9160:运行 OutdoorLocationEngine 固件。DWM3001C(UWB模块):运行 IndoorLocationEngine 固件。

HomeStation PCB(Nordic NRF7002 DK):

NRF 52833 + NRF 7002:运行 HomeStation 应用程序。

您可以使用任何基于 J-Link 的 SWD 编程器,通过 FindMyCat PCB 上的 SWD 编程头对固件进行编程。我使用的是 NRF7002 DK,然后将 HomeStation 固件闪存到上面。

NRF Cloud配置

NRF Cloud 是北欧半导体提供的一项服务,它提供定位服务 API。我们特别使用辅助 GPS (AGPS) 定位服务来加快首次定位时间 (TTFF)。NRF Cloud API 通过互联网提供历书和星历数据。他们的免费计划每月可为您提供 500 次定位请求。

要让固件通过 HTTPS 协议与 NRF 云通信,我们需要做两件事:生成相应的证书,并使用 certificate_provisioning.c 文件中的辅助脚本将其安装到 NRF-9160 上。

Cloud设置

软件的云端部分由两个主要组件组成:

Traccar GPS 服务器EMQX MQTT 代理

嵌入式软件通过 MQTT-SN 与 EMQX MQTT 代理中的 MQTT-SN 网关建立通信。每次设备通过 MQTT-SN 协议向 MQTT-SN 网关传输信息时,都会激活一条预定义的规则。该规则会提取相关的设备信息,如位置坐标、电池百分比、GPS 精度等,然后利用 HTTP 协议将信息转发给 Traccar REST 服务器。

iOS 应用程序

FindMyCat iOS 应用程序用于管理您的所有设备并跟踪它们的实时位置等。按照官方文档步骤(链接见项目仓库地址)在设备上成功创建和安装应用程序后,您就可以添加/编辑 FindMyCat 追踪器设备并追踪它们的位置。

4.组装

是时候组装子组件并制作跟踪器装置了。

5.总结跟踪器FindMyCat四种模式

  • Near Home(家附近模式)
当跟踪器在家附近时,固件会保持超休眠模式,关闭所有外围设备。它仍通过 HomeStation 与云保持连接。电流消耗绝对最小,设备位置以 10 秒的刷新率显示。

  • Ping模式
当跟踪器离开房屋附近时,固件将切换到 Ping 模式。在这种模式下,当通过 iOS 应用程序进行 Ping 时,设备将发回位置信息。当您想按需了解宠物的位置,但又不一定要保留定位历史记录时,这种模式非常有用。

  • Active模式
当被命令进入 "Active"模式时,固件会开始每 7 分钟报告一次位置,直到被命令停止。

  • Lost mode(丢失模式)
在丢失模式下,跟踪器将以极高的频率报告位置,间隔时间为 30 秒。

电池容量:350 毫安时寿命

发表评论

您的邮箱地址不会被公开。 必填项已用 * 标注