BenchVolt PD是一款开源USB-C供电的多通道实验室电源,最大输出功率达100W。具备5路输出(0V-32V)、STM32控制、USB-PD协议、低噪声LDO稳压器及Python图形界面。
Github地址
https://github.com/sydundar/BenchVolt-PD?tab=readme-ov-file
框图
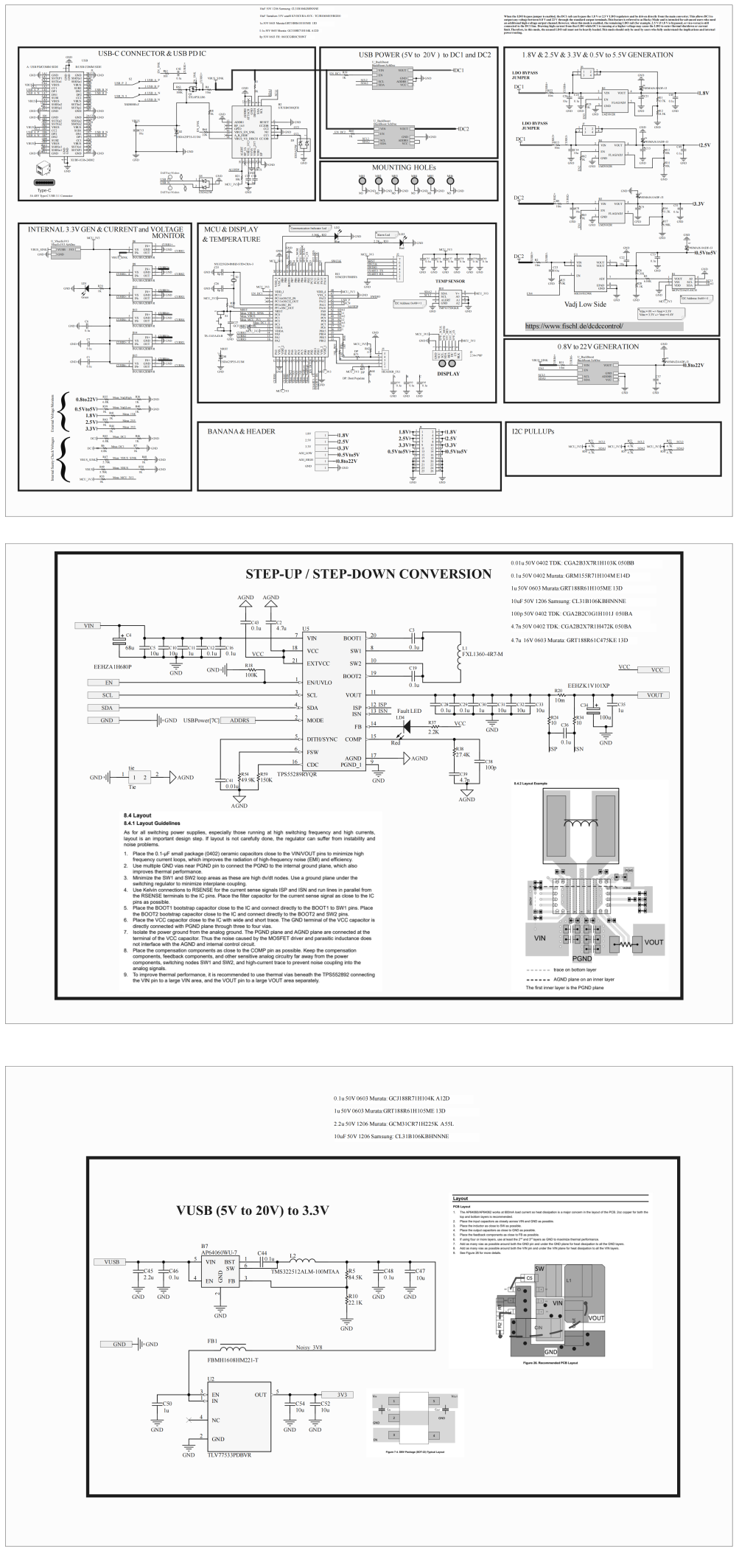
原理图
工作原理
当BenchVolt PD通电时,所有稳压器和转换器均处于禁用状态。STM32微控制器首先启动并通过监测温度、电流和电压执行安全检查,随后依次启用DC-DC转换器和线性稳压器。
运行期间,MCU持续监控系统所有参数以维持安全工作状态。
通过USB PD接口设置功率限制可实现额外安全防护,确保系统功率永不超出预设阈值。该限制可通过设备屏幕菜单/旋转编码器或Python控制接口进行配置。
每个DC-DC转换器均受监控,确保其输出电流不超过5 A。1.8 V和2.5 V LDO稳压器共享同一4 V/5 A预稳压电源轨,而3.3 V和可调(0.5 V–5.5 V)LDO则共享5.5 V/5 A电源轨。因此当同一电源轨上的两个LDO均处于重载状态时,其总输出电流不应超过5 A(典型值为每通道低于3 A)。
第三路升降压输出(2.5 V – 32 V)独立工作,可提供高达3 A电流。由于该通道输出直接来自DC-DC转换器,其纹波与噪声水平相对较高;但对于多数应用而言,整体稳定性与性能仍保持卓越。
其他输出端通过LDO稳压器调节,可提供极低纹波的纯净稳定电压,特别适用于敏感的模拟和数字电路。
注:
- 理论上,该系统可提供高达100W的总功率。但由于DC-DC转换器和LDO内部的转换损耗与稳压损耗,实际无法使用全部100W功率。
- 实际可达功率取决于连接的USB PD适配器/线缆——例如,65W充电器将使系统功率上限锁定为65W。
特性与规格
电源与输出
- 五个独立输出通道,支持电压与电流调节
- 固定输出:1.8 V、2.5 V、3.3 V @ 最高3 A
- 可调输出1:0.5 V – 5 V @ 最高3 A
- 可调输出2:2.5 V – 32 V @ 最大3 A
- 2.54 mm(100 mil)针脚排针,支持多块评估板供电
- 可调通道支持任意波形生成及预设波形(方波、正弦波、三角波、斜坡波)
输出噪声与纹波
- 任意函数特性
- 采样点数:1024点
- 分辨率:12位
- 点参数:驻留时间与电压
- 驻留时间范围:4毫秒至16,384毫秒
- 重复率:1–255次或连续运行
USB电源传输支持
- USB-C输入支持PD接收模式
- 最高100W USB-PD电源输入
控制
- 1.9英寸TFT显示屏(170×320)实时显示电压、电流及PD状态
- 旋转编码器实现快速菜单导航与精细步进调节(5mV步进)
- 支持SCPI命令远程编程
- Python图形界面实现桌面监控与控制
电子与固件
- 微控制器:STM32F030F4
- USB-PD控制器:STUSB4500
- 可配置LDO稳压器与升压转换器实现精准输出调节
- 全通道过流保护
- 通过Python接口经USB升级固件(无需ST-LINK)