提高电路板EMC能力PCB设计和布线方法


简 介: 本文给出了对于电机控制功率电路在PCB布线方面需要考虑的因素,特别是针对于如何提高电路的电磁兼容性,本文给出了从电路板的选择,地线铺设等方面的考虑。最后通过实际案例展示这些方法的应用。
关键词 PCBEMC

00   言

  在每年的 全国大学生智能车竞赛中[1] ,都会有很多的同学碰到车模车轮在PVC跑道上摩擦产生静电的干扰。比如在博文 脚气引起的牙周炎[2] 记录的同学使用防静电胶带对车轮缠绕,减少静电对电磁检测电路的影响。

提问1:卓大大,我们的三轮车跑起来电感值莫名其妙地跳变,而且跳变得还挺厉害。这是在无电磁线推下车,电感值的波形。然后在轮胎上裹了一层防静电胶带,跳变现象就没有了,卓大大帮我们分析分析吧。.

▲ 图1  车轮胎上捆绑防静电胶带
▲ 图2  静电放电对于电磁检测电路输出信号的干扰

  在 电机控制应用中的电磁兼容性设计与测试标准[3] 介绍了 EMC design guides for motor control applications[4] 中的前半部分,关于电机控制电路中的EMC防范标准和测试方法。由于篇幅将该文档的后半部分,也就是具体PCB布线考虑细节内容省略了。下面将该文档的后半部分摘录。

01 PCB设计与布线

  了使得电机控制电路满足电磁兼容性(EMC)标准,EMC要求应该作为产品定义的一部分,并随之将目标在电路设计,器件选择以及PCB布线过程中关注电磁干扰辐射以及降低电路对电磁干扰的敏感性。

  下图显示了高度集成电机控制设计电路的一般电路结构。这里,可以看到它包含有各种功能模块。需要考虑其中哪些功能可能产生电磁辐射,或者对于电磁干扰敏感,以及它们之间可能存在的耦合路径。

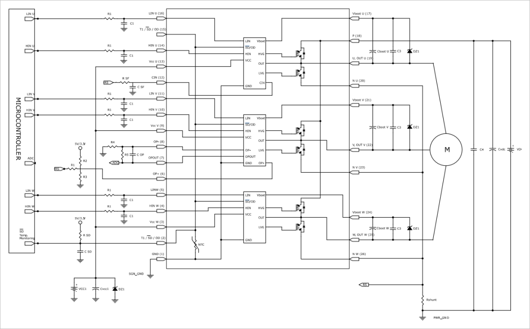
▲ 图1.1 三相感应电机逆变电路

1.1 EMC总览

  下图给出一个简单产生电磁干扰的组成部分:

  • 电磁干扰源;
  • 电磁耦合路径
  • 电磁干扰影响器件或接受器件;
▲ 图1.1.1 电磁干扰模型

  电磁干扰源包括微控制器,电荷放电器件,发送器,功率瞬变器件比如电磁继电器,电源开关以及闪电等。在微控制器系统中, 时钟电路通常会产生宽带噪声。

  尽管所有的电子线路都可能会接收电磁干扰信号,但最敏感电路信号包括:复位、中断、故障检测、保护以及控制信号线。模拟放大器,控制电路以及电源稳压电路等也容易受到噪声的干扰。

  在干扰源和接收电路中间的耦合路径包括:

  • 传导:在干扰源和接收电路之间的耦合路径就是直接的接触,比如引线、电缆或者路径连接;
  • 电容:在两个接近的导体或者引线之间存在各种电场,当间距小于电磁波波长会在空隙之间引起电压的变化;
  • 电感或者磁场:在两个平行导体或者引线之间存在磁场,当间距小于电磁波波长的时候会在接收导体上引起电压的变化;
  • 电磁辐射:当干扰源与接收电路之间的距离比较远,大于电磁波波长,发射与接收之间相当于无线电天线,电磁干扰从干扰源发送,辐射出的电磁波在空气中传播。

  电机控制电路中的开关电源通常是电磁干扰的主要来源。电路中的方波脉冲形成快速变化的大电流、电压,具有很高的 。波形具有很强的非线性,存在高次谐波。由于存在这么多的频率分量,通常都是噪声信号,他们比较容易通过传导或者无线电波辐射干扰到电机控制电路的其它电路,使得它们产生故障。

  设计人员通常使用阻尼电路或者软开关技术来极大降低开关电源中的电磁干扰。

  令人惊奇的是,由于现在的功率晶体管通常具有比应用需求更高的开关频率,一些特定电路部分可能不经意间将噪声以及谐波分量进行放大,这样会使得电磁干扰问题复杂化。这些高频干扰信号有可能达到无线电波发射的频段,所以有时也被称为射频干扰(RFI)。

  逆变以及驱动电路具有产生电磁干扰的能力,电路设计者需特别关注功率晶体管器件的打开和截止特性,尽可能降低这些电路的电磁干扰信号的产生。如果使用分离的IGBT,或者MOSFET器件,设计人员可以灵活使用门极串联电阻来控制功率管的开关特性,在功耗损失与电磁干扰之间进行折中。

  如果使用IPM(智能功率模块),内部集成有驱动电路,其中的参数已经在功耗损失与电磁干扰之间进行了优化。

  在电机控制电路设计中,还包括有控制以及传感器功能,他们通常容易受到电磁干扰的影响,可以通过旁路、滤波以及缓冲等主要手段来避免他们失效。

  一旦确认了电磁干扰源以及有干扰电路,那么在电路性能以及费用约束条件下对电路拓扑结构进行优化。

  一旦最初电路设计和原理图定型之后,精力需要集中在电磁兼容性和控制的核心部位:也就是PCB布线。这个阶段可以考虑通过分割策略,考虑不同三维结构的器件布局和布线如何影响最终产品的电磁干扰性能。很多电磁兼容性问题的麻烦通常都是在电路分割和布线过程中被发现和解决的。

  解决电磁兼容性要求的主要步骤阶段:

  1. 电路定义阶段:定义设计所需要遵守的电磁兼容性标准;

  2. 电路设计阶段:在原理图实现过程中,工程师需要:* 确定电路中可能形成电磁干扰源的电路和器件;* 确定电路中容易对电磁干扰敏感的电路和器件;* 确定出在干扰源与接收干扰电路之间可能存在的连通和无线电传递途径。

  3. 设计出合适的电路分割策略,可以进行高效电路连接和规划。

1.2 电路分割策略

  对于电磁干扰影响重要的PCB布线结构和布局关键因素包括:

  1. PCB: 确定PCB种类,包括尺寸和层数,通常由费用决定;

  2. 地线: 确定电路地线结构,它直接影响PCB种类的选择;

  3. 信号: 确定控制、功率和地线信号的种类,这由所需要的电机控制功能来决定;

  4. 耦合路径: 确定在功能模块之间的信号交换最佳手段,对大型器件确定是采用表面封装还是穿孔引脚封装。

  5. 器件走向和摆放: 寿命考虑大型器件,或者需要安装散热片的器件,他们往往对于安放位置有要求,需要进行特殊处理。

  6. 屏蔽: 对于电磁干扰的其它方法最终无法满足你的电磁兼容性要求和限制,考虑如何对PCB增加屏蔽罩。

1.3 电路分割

  经过周密规划之后,需要对电路进行按部就班(遵照逻辑)进行实际分割。下图中的电路分割模型,是经过考虑到所有主要EMI的问题之后的结果,总体上来看它显示了:

  • 电路功能是如何分成不同模块;
  • 不同模块如何布局;
  • 以及模块间如何通过底线进行分割;
▲ 图1.3.1 电路分割一种方案

  另外,为了高效进行PCB规划和布线,采用图形工具来进行。

  在每一个电路功能模块中,电磁干扰源可以通过原理图来找到。由于底线布局对于满足电磁干扰兼容性非常重要,所以不同模块通过底线清晰的分割开来。当然这仅仅是模块和地线布局的理想模型,在设计的时候需要尽可能多的靠近这样的布局。

  到此为止,我们采用了从上到下设计策略来满足电磁兼容性要求,这样做的好处是可以确定影响全局的电磁干扰源,采用电路分割策略从而为减少电磁干扰布局奠定良好的基础。

1.4 布线与电磁干扰:PCB选择和布线规范

  下面,我们开始讨论自下而上的方法来达到电磁兼容性要求,其中包括有智能布线,电磁发射元的布局以及他们相互之间的连接和影响。

1.4.1 PCB

  既然电路最终通过PCB来设计和实现,所以我们需要考虑PCB的选择方案,能够比较好地解决电磁干扰问题。

  与电磁波长相当的导体会对电磁干扰敏感,也会成为电磁干扰信号的发射源,所以在设计的时候需要选择PCB基板材料具有最低的介电系数。

  FR4通常用于低频电路设计中,由于采用了环氧树脂作为绝缘层,所以它的介电常数达到了4 。

  PCB基本的厚度也很重要,因为它决定了不同铺设层之间的耦合程度。导线的宽度与电路板的厚度的比值决定了两层导线之间的耦合程度,这也对控制电磁干扰十分重要。

  PCB的可用布线的层数是影响特定设计中的电磁兼容特性的重要因素。之所以重要,是因为它限制了底线铺设的方式,也确定了总的电磁干扰行为。通过铺设地层,使得器件接地比较容易,通过地线屏蔽作用是控制电磁干扰的关键。

  下图中显示了单面板的结构,所有的电源线、控制线以及地线都需要在PCB单面来完成。这使得布线和控制电磁兼容性问题变得复杂起来。同一层电路之间可能会产生相互的干扰。器件接地也变得不容易。

  采用单面PCB时,电路板的四周需要尽可能用于铺设地线,对于电路中没有引线的部分,也需要铺铜并连接到地线。对于没有连接到地线的铺铜需要去除。采用单面板在设计可靠的电磁兼容性时缺少灵活的手段。

▲ 图1.4.2 单面板中的铺铜

  采用双面板来设计电路时,则可以将其中一面单独用于地线,降低布线的复杂度。相对于单面板来说费用也仅仅高一点。但在电源和控制模块之间的干扰还是存在,因此将电路中的电磁干扰源与其他电路分开比较关键。

▲ 图1.4.3 双面板结构
▲ 图1.4.4 具有通孔来焊接带有管脚的器件

  四层板往往费用比较高,但可以利用独立的电源层来达到好的自屏蔽效果。也能够在电路板双面放置元器件。

  在下面两种四层板布局中,左边方法将电源层设置在电路板内部,散热受限,也会对底部信号层产生影响。位于上下两层的信号线对于外部电磁干扰源也会敏感。

  右边测量则是将地线层放在最外边,有着强的抗击外部干扰源的作用,但内部电路之间会有很大的自干扰。

▲ 图1.4.5 两种四层板布局

1.4.2 地线

  好的地线策略会解决干扰源以及敏感电路的问题。首先需要考虑PCB中的对所有信号的参考地线的防止,通常是PCB上的物理点,有时PCB放置在机架或者金属外壳内,电路板上的这一点也会与机架或者金属外壳相连。

  接下来需要尽可能保证电路地线到这一点的路径最短,通常需要在考虑到可用面积进行权衡:

  • 单面板中由于没有专用底层,所以地线结构考虑困难;
  • 两层板可以设置一层作为独立的地线层,电源线和信号线都用剩下的一层;
  • 具有两层以上的电路板则在地线放置的时候具有更多的灵活性,对于提高电磁干扰的能力也非常大。
▲ 图1.4.6 多层电路板PCB布局

(1)降低地线阻抗

▲ 图1.4.7 降低地线环路长度
▲ 图1.4.8 改进后的电路布局
▲ 图1.4.9 推荐的电路布局

(2)地线结构

▲ 图1.4.10 通过过孔接地的方式
▲ 图1.4.11 改进后的地线环路

(3)电路连接

▲ 图1.4.12 地线集结方式
▲ 图1.4.13 对于三相电源系统的布局

1.5 PCB布线技巧

▲ 图1.5.1 铺铜电路需要连接地线
▲ 图1.5.2 电源线和地线布局
▲ 图1.5.3 去耦电容放置建议
▲ 图1.5.4 引线45°角建议

1.6 案例举例

1.6.1 案例1

▲ 图1.6.1 案例1:电路板
▲ 图1.6.2 改进后的PCB

1.6.2 案例2

▲ 图1.6.3 案例2 :PCB
▲ 图1.6.4 案例2:改进后电路

1.6.3 案例3

▲ 图1.6.5 案例3:PCB

1.6.4 案例4

▲ 图1.6.6 案例4:PCB

1.6.5 案例5

▲ 图1.6.7 案例5:PCB

1.6.6 案例6

▲ 图1.6.8 案例6:PCB

线总结 ※

  文给出了对于电机控制功率电路在PCB布线方面需要考虑的因素,特别是针对于如何提高电路的电磁兼容性,本文给出了从电路板的选择,地线铺设等方面的考虑。最后通过实际案例展示这些方法的应用。

参考资料

[1]

全国大学生智能车竞赛中: https://zhuoqing.blog.csdn.net/article/details/107256496

[2]

脚气引起的牙周炎: https://blog.csdn.net/zhuoqingjoking97298/article/details/104135554?ops_request_misc=%257B%2522request%255Fid%2522%253A%2522164076607716780274168006%2522%252C%2522scm%2522%253A%252220140713.130102334.pc%255Fblog.%2522%257D&request_id=164076607716780274168006&biz_id=0&utm_medium=distribute.pc_search_result.none-task-blog-2~blog~first_rank_ecpm_v1~rank_v31_ecpm-10-104135554.nonecase&utm_term=%E9%9D%99%E7%94%B5%E5%B9%B2%E6%89%B0&spm=1018.2226.3001.4450

[3]

电机控制应用中的电磁兼容性设计与测试标准: https://zhuoqing.blog.csdn.net/article/details/122198428

[4]

EMC design guides for motor control applications: https://www.st.com/content/ccc/resource/technical/document/application_note/f7/f4/51/8d/a1/c5/47/8e/DM00182773.pdf/files/DM00182773.pdf/jcr:content/translations/en.DM00182773.pdf

作者:极客石头

在搞事情的路上越走越远。

发表评论

您的邮箱地址不会被公开。 必填项已用 * 标注