开源设计脑机接口,一块树莓派就够了

 

只需要一块树莓派的板子,就可以做一个脑机接口?

没有开玩笑,这位俄罗斯小哥Rakhmatulin还真做出来了,这接地气的设备只用一块树莓派板子做处理器,可以实时处理八个大脑电信号:

不信来看看实时信号图像:

这些有规律的波形就是大脑在进行活动时产生的电信号。

目前这个项目已经开源,成本也不高,如果想自己动手做一个脑机接口,机不可失,赶快来学一学~

树莓派脑机接口

在制作设备之前,我们要先有一个大致的框架。

脑机接口的框架很好理解:首先从脑壳上读取生物电信号,然后传到处理器中处理,最后用输出信号控制其他设备。

所以第一步就是要读取脑中的生物信号,为此Rakhmatulin做了一个小帽子(下图左边),上面有8个电极(下图右边)

这8个电极的位置是依据国际10-20系统(如下图)的脑电图检测电极位置来确定的,其中首字母代表大脑不同的分区,例如F为额叶,P是顶叶,T是颞叶等:

图注:国际10-20系统

当大脑在进行不同的活动时,也会同时产生可以区分的电信号模式。这样这些电极就可以检测到电信号,用以进行后续的分析处理。

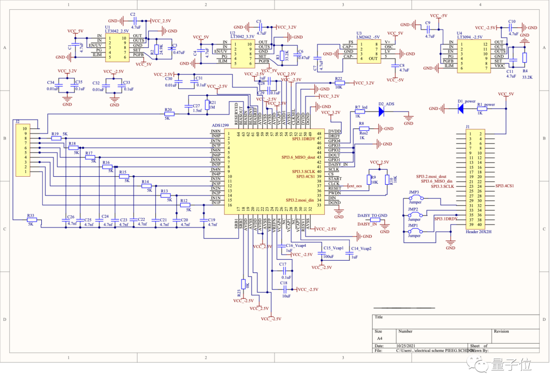
有了脑信号之后,接下来第二步,就是对信号的处理了。这里用树莓派第三代或者是第四代都可以,如下的电路图显示了小黄板上的电路结构:

上图中左边10个管脚中的8个接小帽子上的8个电极,1个接参考电平,1个接偏移信号。

右边的管脚用来传输数据,采样率为每秒250次到每秒16000次。

Rakhmatulin已经在GitHub开源了实时信号检测和处理的代码。

接上电源、显示器,戴上小帽子之后,硬件部分就万事俱备了:

图注:硬件部分

现在我们要做的就是做一些简单的动作,让大脑产生电信号。

在测试中,Rakhmatulin采用了“咀嚼”和“眨眼”这两个动作。

每次做咀嚼动作的时候,电信号都会有一个峰值出现,为了能够从波形图上清晰地看到脑信号的变化,小哥共做了四组咀嚼动作,每组依次咀嚼4下、3下、2下、1下,形成一串峰值。

然后通过处理器记录八个电极产生的八条信号(从上至下)如下图:

从上图可以很明显地看出,每一次动作都有对应的电信号峰值出现,并且按照动作次数排列。

在咀嚼动作之后,小哥又做了四组眨眼的动作,每组眨眼次数也依次是4、3、2、1下。

同样地,这些电信号变化也被记录了下来(如下图)。其中前四组波动是咀嚼的电信号,后四组波动是眨眼的电信号:

通过带通滤波器之后波形更加清晰,4、3、2、1,4、3、2、1…像是脑信号在跳广播体操:

到这里,脑机接口的使命就已经完成了,从处理器中输出的信号可以接到其他设备上去,形成不同的指令,例如指挥机械臂,玩具车,无人机等等。

怎么样?是不是很简单?全程没有复杂的硬件设备,自己在家就可以做,有条件的可以动起手来啦~

如果实在不想动手,也可以关注小哥官网的公告,众筹活动即将上线:

作者简介

这个项目的开发者Ildar Rakhmatulin是一位电气工程师,毕业于俄罗斯南乌拉尔国立大学。

这哥们在做脑机接口之前,还用树莓派做了一个检测蚊子的处理器,还可以发射激光消灭蚊子。

最近,他还和同伴Sebastian Völkl一起经营一家公司,希望能提供给人们经济实惠的脑机接口设备。

参考链接:

[1]https://github.com/Ildaron/EEGwithRaspberryPI
[2]https://www.hackerbci.com/
[3]https://arxiv.org/abs/2201.02228

行早 发自 凹非寺
本文来自 
量子位 报道 | 公众号 QbitAI

作者:极客石头

在搞事情的路上越走越远。

发表评论

您的邮箱地址不会被公开。 必填项已用 * 标注