降压转换器的工作原理

降压转换器

 

降压转换器(Buck Converter) 是所有电子电路中最常见的元件之一。 它能产生低于输入电压的稳压输出, 在提供大电流的同时最大限度降低功率损耗。其核心原理是通过一个开关快速地反复导通与关断, 以此来降低负载上的电压——正因如此, 基于降压转换器的电源被称为开关电源(Switch-Mode Power Supply, SMPS) 。 该开关周期性地切断电源与负载之间的连接, 使负载获得的平均电压低于输入电压; 而在开关断开期间, 通过电容持续为负载供电, 维持电压的稳定。

 

降压转换器的工作原理

 

如图所示的基础降压转换器电路中, 当开关 S(通常为 MOSFET) 闭合时,直流输入电源 VDC 与电感 导通。 随着电感磁场的增强, 它会阻碍流经自身的电流变化, 并在磁场中储存能量。 此时, 电流经电感后同时流向电容 与负载电阻 R, 对电容进行充电。 电感 和电容 共同构成一个 LC 低通滤波器 , 将原本呈方形、 波动不平的波形平滑为更稳定的输出波形。

 

当开关 断开时, 流经电感的电流逐渐减小。 电感 的磁场开始衰减, 产生反向电动势, 从而成为新的电流源。 只要电感两端的电压高于电容两端的电压, 电感就会继续对电容充电。 当两者电压相等时, 和 开始向负载电阻R 释放其储存的能量, 从而使负载两端的电压变化尽量小。 当电流流经二极管 D, 二极管处于正向偏置状态, 为电流提供一条绕过开关的续流路径。 该过程使反馈电路得以工作, 通过调节开关的占空比, 控制开关 重新导通,以对电感和电容进行再次充电。

 

image.png

 

 

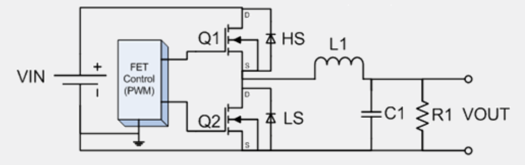
同步降压转换器

作为基础降压转换器的重要改进, 同步降压转换器(Synchronous Buck Converter) 由两个功率MOSFET、 输出电感及输出电容构成。 两个MOSFET的导通/截止状态同步交替切换, 从而更精确地调节输出电压。上图中MOSFET(高压侧) 和 Q2(低压侧) 的交替导通状态由脉宽调制(PWM) 控制器管理。 低压侧 Q2 的漏极与高压侧 Q1 的源极共同连接至电感 L1 。 此时输出电压VOUT始终等于输入电压 VIN 乘以 PWM 控制器所设定的占空比。

 

image.png
 

同步降压转换器的功率流向

当MOSFET Q1 导通时, 其作用与基本降压转换器中的硬开关相同, 但速度更快。 Q1 导通期间, 电流从高压侧向负载供电, 电感 L1 充电且电感电流 IL 上升。 Q1 关断后, Q2 随即导通。 此时, 电流从低压侧流向负载, 电感 L1 开始放电, 输入电流减少, 电感电流 I逐渐下降。

 

此外, Q2 还负责钳位开关节点电压: 通过其体二极管将开关节点电压 Vsw的负向摆幅限制在合理范围内, 防止在 Q1 关断过程中该电压过度负向偏移。 输出电流峰值之间的差值称为电感电流峰峰值, 记作 ΔIL 。

 

image.png
image.png
解读占空比

占空比(Duty Cycle) 是指高压侧 MOSFET Q1 在一个开关周期内处于导通状态的时间百分比, 它决定了同步降压转换器的输出电压。 对于任意给定时间间隔 t, 占空比 D的计算公式为:

image.png
占空比为 50%(即 0.5) 时, 若输入电压 VIN 为 12V, 则输出电压 VOUT将为 6V。 同理, 在相同输入电压下, 占空比为 0.75 时 , VOUT 为 9V; 占空比为 0.25 时 , VOUT 为 3 V。 

上述公式中使用≅的原因在于: 开关状态切换时必须留出极短的死区时间, 以防止交叉导通, 即“直通电流” , 否则将导致直接接地短路。

 

任何降压转换器的输出电压和电流都会存在一定幅度的纹波。 控制器本质上是一个工作频率为500 kHz 至 700 kHz, 甚至可达 2 MHz 至 6 MHz 的内部振荡器, 这会导致输出端出现纹波。 通过增大电容 C1 或提高开关频率可降低纹波, 但较高的开关频率会产生电磁干扰(EMI)。

 

image.png

 

连续导通与断续导通

同步降压转换器在中高负载下通常运行于连续导通模式( CCM), 通过PWM设定占空比。 此时电感电流不会降至零安培( 0A) 。 但在负载较轻时, 电感电流可能降至0A。 此时转换器进入断续导通模式( DCM)。 在此状态下, 由于电流在0A时不会产生损耗, 为了进一步降低开关损耗, 系统需改用脉冲频率调制(Pulse Frequency Modulation, PFM) 来调节占空比。

 

这两种工作模式各有优劣:
CCM 的优势在于输出电压纹波较小, 因此可以使用容量更小的输出电容; 但其开关损耗通常较高。DCM 的优势在于开关断开时电流已降至 0 A, 因此开关损耗更低; 同时可采用体积更小的电感, 且漏磁较少。 不过, 由于DCM 的电流更大, 容易产生更强的电磁干扰EMI。

 

( CCM), 通过PWM设定占空比。 此时电感电流不会降至零安培( 0A) 。 但在负载较轻时, 电感电流可能降至0A。 此时转换器进入断续导通模式( DCM) 。 在此状态下, 由于电流在0A时不会产生损耗, 为了进一步降低开关损耗, 系统需改用脉冲频率调制(Pulse Frequency Modulation, PFM) 来调节占空比。

 

image.png
image.png

 

降压转换器的功率损耗来源

任何类型的降压转换器(包括同步型) 都会产生一定程度的功率损耗,尽管这些损耗可以尽量减小,却无法完全消除。在评估降压转换器是否比 LDO 更适合作为图像传感器的电源方案时,必须始终将这些损耗纳入考量。一个器件在电压转换过程中未损失的功率比例即为其 DC-DC 转换效率(简称“效率” )。该效率永远无法达到100%。 而总功率中受运行损耗与静态损耗影响的部分,等于 1 减去效率值。

 

导通损耗

image.png

 

根据焦耳定律(P = I²R) , 电流产生的功率损耗与电流平方乘以电阻值成正比。 在降压转换器中, 导通损耗发生在高压侧 MOSFET(Q1) 或低压侧 MOSFET(Q2) 完全导通(而非开关切换) 期间。 此时的损耗仍遵循焦耳定律, 此时电阻由内部导通电阻 RDS(on) 表示。

 

开关损耗

image.png

在开关切换过程中( 例如 Q1 导通而 Q2 关断, 或反之), 设计上必须注意控制电压随时间的变化率( dV/dt), 以避免产生可能损坏器件的电压尖峰。 增大外部栅极电阻值可提升驱动电流能力, 使栅极电容更快放电。 这有助于缩短开关时间, 从而减少了产生开关损耗的机会, 同时将电压变化率( dV/dt) 提升至一个更高但仍在安全范围内的水平。

 

静态损耗

元 器 件的静态功率损耗( 也称静态损耗) 在任何时刻都会存在, 不仅限于开关动作或通电状态。 即使整个设备完全关闭时, 仍会存在微量静态损耗。 该损耗值通常被视为可忽略不计, 量级为微安(μA) 且常为个位数。 然而运行状态下的静态损耗可能高达其五倍, 

 

计算降压转换器的输入电流
image.png

 

在考虑降压转换器时, 电源树根部存在一个关键且可能未解决的因素是所需的输入电流。 通常, 降压转换器的输出电流 IOUT 与输入电流 IIN 不同,而同步降压转换器的 IOUT 可能大于其 IIN 。 但降压转换器中 IIN 与 IOUT 永远不相等(LDO则始终相等) 。

 

在本例中, 电路将输入电压 VIN 从 5 V 降至输出电压 VOUT 的 1.8 V。 假设负载电流 IOUT 设为 350 mA, 那么输入电流 IIN 应该是多少? 从工程师的角度来看, 问题的核心就是求解 IIN

 

第一步是确定所选降压转换器的 DC-DC 转换效率。  一款输入 5 V、 输出 1.8 V、 提供 350 mA 输出电流的器件, 其额定效率为 90% 。

 

根据 P=V·I 公式, 1.8V乘以0.35 A可得输出功率 POUT 为0.63W。 根据定义, 输出功率等于输入功率乘以转换效率, 因此输入功率 PIN 等于输出功率除以转换效率。 将 0.63 除以0.9, 得到输入功率 PIN=0.7W。

 

根据欧姆定律, IIN = PIN÷ VIN 。 将0.7除以5得出0.14A。考虑到可能的功率损耗, 在上述电压规格下, 输出电流为 350 mA 的降压转换器, 其所需的输入电流为 140 mA。

发表评论

您的邮箱地址不会被公开。 必填项已用 * 标注