FPGA芯片的“本质”是什么?

说起FPGA之前,先提个问题。
芯片的本质是什么?
老哥认为芯片的本质是电路!
简单来说,数字芯片,不论多复杂,其底层就是 与,或,非的组合。
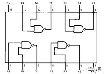
这个是某宝上可以买到的世界上简单的芯片之一, 74LS系列,很便宜,两毛钱;
               
其功能就是二输入与非门。这是一个最简单的芯片,其电路和版图如下
                        
上图中一共4个二输入与非门。
而CPU或者GPU等大芯片,有几千万门甚至上亿门的电路。
但是如果我们深入到大芯片的底层,就会发现这些大芯片也是一个与非门,或非门,等逻辑门组成的。
这就是电路,CPU和GPU也是一种电路的组织形式。
无论多复杂的芯片,都是芯片设计工程师通过硬件描述语言(HDL)来描述电路。
看起来像是和软件工程师一样,都在敲代码,在编程,实际上是在搭电路。
EDA工具把语言转换成电路,最终得出这个版图(GDS)。然后这个版本提交给厂家生产。流片厂家把GDS变成硅。封装厂家完成硅 (DIE)到 CHIP的封装。
这个过程和设计PCB电路基本上是非常相似的。
都是电路转换成PCB 到厂家制版。
我们所说的卡脖子,目前看,主要是制造环节,也就是从版图到硅的阶段。其他也有,但是这个问题这个有时间找专题另说。
今天主要说一下 ,设计一款芯片研发最大的问题是啥?
有两点是大家公认的。
第一,研发迭代周期长:
大芯片花费了一年或者2年研制,这个很常见。或者因为功能缺陷,或者市场变化,最终没有卖出去,又要重新迭代。这个就是非常恐怖,小的芯片公司,因为芯片失败,钱花光,直接一波流带走也是很常见的。
第二,芯片投入高:
芯片研发包括流片成本,IP成本,人力成本等。28nm的MASK在1000万,12nm接近2500万,除此之外还有人力,IP等成本。研发一颗28nm的芯片总投入成本投入大几千万还是有的,7nm和5nm更是几亿的投入。这么高的成本(NRE),将来要分摊到每一颗芯片上去的。
如果一个项目或者需求,只有几千颗或者几万颗的量,是否值得来去研发芯片就是一个很大的问题。
流片不合适,那么没有一种替代的方案?迭代周期短,代价小的实现这个电路的需求。
FPGA,他来了!

1:FPGA:实现电路的电路

FPGA  
Field Programmable Gate Array。
现场可编程门阵列。
 
FPGA和专用芯片不同。
可以编程。
文章开头说过了, 芯片的本质就是电路。
那么FPGA的本质是什么?
FPGA本质也是一种芯片。
但是可以也可以实现数字电路功能,如CPU,GPU,NPU等这些电路,都可以放在FPGA内部实现,效率另说。
那FPGA的本质就是可以通过编程实现电路的电路。
这个是怎么做到的?
或者说,什么样的电路可以实现与或非这些基本操作
我们以 F=A&B&C&D 这个电路举例:
一个16×1的RAM,这个RAM的每一bit都可以编程为0或1。
这个RAM有4位地址, DCBA。通过这4bit选择RAM的输出。
通过配置RAM中不同的值,实现输出F 和输入A,B,C,D的关系
               
上图中,我们把16bitRAM 配置为 0000000000000001 ,这个电路 则等效 F=A&B&C&D;
只有A=B=C=D=1时, F=1,其他情况 F=0;
完美实现了 F=A&B&C&D;
重要的事情再说一遍;
16bitRAM 配置为 0000000000000001 , 则等效F=A&B&C&D;
那么现在“0000000000000001” 这串数就是FPGA的编程。
这就是FPGA最基本的原理;
举一反三,如果实现电路 F=A|B|C|D 。
这个电路如何编程:
               
16bit RAM 配置为 01111111111111111, 则等效F=A|B|C|D。
大家可以试一下:通过配置16bitRAM 的值,可以实现A,B,C,D四个输入的任何逻辑操作。
FPGA就是利用了这个转化,具备了描述任何电路的能力。
上图这个结构在FPGA中有一个专有名词,叫做LUT ,lookup table( 查找表)。
LUT就构成了所有FPGA的最基本的单元。
LUT只能实现数字组合逻辑,所以又添加了一个寄存器flipflop (ff),可以实现数据的锁存;
如下图所示:LUT+寄存器构成了现代FPGA基本结构。
FPGA的基本结构,就是依靠如此简单的电路实现了无比复杂的逻辑。
这个包括LUT和FF的基本结构,这两个合并成为一个基本的逻辑单元(LOGIC BLOCK)。
这种能够实现ABCD四个输入计算的LUT的叫做4输入LUT,此外还有5输入,6输入等等变种。
万变不离其宗。
这种结构,从FPGA诞生以来,就没有怎么变过。     
这个电路,也可以看作是一个最小的FPGA。
现在能实现一个功能的芯片,少则几万门,多则几千万门,上亿门。
单纯靠这个电路实现,这就是开玩笑了。
那么就需要无数的LUT和FF来实现,。
FPGA就实现了一个无数 Logic Block(Logic Block内部就是LUT+FF)的阵列,中间用布线资源连接起来。
把互联和逻辑单元结合起来就是一个FPGA芯片,图如下所示。
               
一个典型的FPGA开发流程如下。从HDL(verilog的电路描述语言)到配置文件 bit流
相比一下,专用芯片的开发流程从HDL(verilog的电路描述语言)到硅。这个时间就长多了。
               
这些bit流包括啥?
开头说过了,16bitRAM (LUT)配置为 0000000000000001 , 
则等效F=A&B&C&D;
FPGA最终生成的Bit-stream流,包括 LUT 的配置文件,以及布线资源的配置文件。
到这里,FPGA的设计及编程就完成了。
简单明了!

2:EDA工具:从知到行的距离

看起来设计一个FPGA芯片也不复杂。
电路不复杂,市场上高性能的FPGA,可选择的余地不多。
从知到行,这里面有一个巨大的鸿沟,
按照本文开头的原理,假如一个厂商设计完毕了一款FPGA芯片。
等到给客户使用的时候,就碰上了一个大麻烦。
EDA工具。
如果给客户提供FPGA芯片,则需要配套提供给客户一个EDA工具。
没有EDA工具,难不成让客户手动生成FPGA的bitstream的文件。
芯片都做出来了,EDA工具,还难吗?
难,真的难!
这是一个巨大的坑。
下图是一个 开源的FPGA的设计流程(OpenFPGA),我们可以看看,即使一个开源项目,其涉及到的EDA工具最少都要有哪些?
               
这些需要给客户的EDA工具包括:
1:综合工具
2:布局布线工具
3:bit生成工具
4:时序分析工具
5:仿真工具
6:嵌入式逻辑分析仪器等调试工具
7:功耗分析工具
这些还算是最少的集合,但已经比一个CPU芯片提供给用户GCC编译工具要难多了。
老哥装过某司的EDA工具,这些大小都是十几个G,比windows安装盘还要大。
如果CPU的GCC工具难度是1,FPGA的EDA工具的难度就是10到100。
借用《让子弹飞》里的一段话:
项目成功了,芯片功劳怎么才占7成。
七成是EDA的,芯片也就三成。
就这三成,还要看EDA的脸色。
     
辛辛苦苦半天,做出来芯片,还要看EDA工具的脸色。 
看看EDA都有哪些“脸色”?                          
以上图的布局布线工具为例,看起来就比较复杂。
如果做不好,整个FPGA的利用率极低,还布不通,你说重要不重要。
除了传统的EDA工具,实现HDL,例如verilog这种编程之外,还包括HLS这种高层次综合的描述语言。
               
HLS的引入使软件工程师也能参与到FPGA设计中来,把电路开发屏蔽掉,直接开发软件,这个就更是EDA工具的能力了。
但是,这个本质上,讲高级语言(C,C++)转换成硬件描述语言(HDL),在通过综合工具转换成电路。
好处是,更贴近软件工程师的习惯,缺点就是加了一层转换,带来了效率的损失。

3:FPGA的架构:融合超越

 
文章开始说了,FPGA就是Logic Block,内部主要是(LUT+FF),以及布线资源。
除了这些。
FPGA还有很多硬核IP,也叫做宏单元。
例如PLL,SERDES,RAM等常规IP的。
随着现在芯片的演进。
FPGA内部也集成了很多新的东西。
这些新东西中,比较有特色的就是CPU,在FPGA内部集成了硬核CPU系统,甚至可以运行OS(操作系统)。
这样CPU+FPGA。
CPU软件编程,FPGA 硬件电路编程,
这个就是双剑合璧,更胜一筹。
同样serdes也是高端FPGA的必须模块,没有serdes,FPGA就是孤家寡人,没有办法实现和其他芯片电路的高速互联
现在与外部器件连接,支持比如PCIe,SATA,10G/100G ethernet这些高速协议。
数字信号处理,FPGA应用于数字信号处理等计算密集型任务,如雷达等等
所以,FPGA内部也集成了了很多DSP单元,实现乘法等操作。
为了在人工智能时代分一杯羹,有的FPGA内部集成了用于AI处理的神经网络加速的硬核。
总结一下,除了LUT,FPGA内部集成硬核IP包括:
1:RAM:用于实现存储资源;
2:PLL:提供高速的时钟信号和资源;
3:DSP:乘法操作,滤波器,数字信号处理模块;
4:SERDES:实现PCIE,SATA,FC,100G ethernet等高速接口
5:CPU系统:提供软件编程开发能力;
6:NPU硬核:提供AI处理加速;
而根据市场需要,还可能添加更多的硬核IP 与传统的FPGA进行融合。
融合更多功能IP。
这就是FPGA架构未来的趋势。

4:FPGA优势:解决问题才是王道

FPGA和CPU有什么区别和优势?
我们讨论一种架构的优劣,重点是解决了什么问题?
而不是CPU与FPGA,孰优?
只有放在固定的应用场景下,才能说哪种架构更适合解决这些问题。
FPGA编程是电路,本质上还是可以看作,逻辑门(与或非)等等效电路。
CPU是指令操作,运行的是软件。
FPGA是时间并行运行的,而CPU是时间串行的,单CPU核总是需要一条一条来执行指令来实现功能(也有指令级并行,但原理不变)。
FPGA的并行度较高,相比CPU的计算方式,数据吞吐量大,时延控制比较好。
但是CPU的频率很高,可以运行操作系统,作为通用计算单元非常灵活,并不是FPGA更能做的。
FPGA更适合做ASSP,配合CPU做专门的运算单元使用,适合专一的大数据量的计算。
FPGA既然是”万能的芯片“,似乎那就可以替代实现所有芯片功能。
是不是可以不研发专用芯片,只用FPGA。
相比专用集成电路:FPGA有三个劣势
1:面积大,成本高:
和专用集成电路(芯片)相比,FPGA由于采用LUT来表征基本逻辑门单元,所以其面积粗略来比是专用电路的10倍,所以其成本简单类比也会高很多。
2:面积大,功耗高:
同样功耗也没有优势,做低功耗设备,例如手持的供电式设备,基本不太可行。
3:运行频率低,计算效率低。
FPGA内部LUT之间,由于其互联较长,导致FPGA的频率相比同工艺下的ASIC也是慢很多。专用电路门与门之间的延迟要小很多。
但是,FPGA优势也很明显。
FPGA最大的优势,就是灵活性高。
用FPGA不用重新流片,节约了NRE成本。
在一些雷达,5G,网络,存储,高性能计算等数据密集型计算领域都有广泛的应用。
特别是需求不明确,量不大,不值得做芯片,或者,需求老在变化,FPGA都是不错的选择。
intel收购后altera后, FPGA的重心变成了数据中心市场,特别是利用FPGA在数据中心加速方面,投入颇大,最新的intel的IPU其中是FPGA技术,用于数据中心基础设施的卸载,也是类似DPU的一种实现。(见上一篇:大话DPU—从网络到数据)。
目前很多家DPU都是用Intel和Xilinx的FPGA实现的。
这个就是DPU需求不固定,数据中心对于DPU的需求一直在变化的一种体现。
FPGA全球市场2018年大约60亿美金,Xilinx 和Altera 是这个FPGA市场上最重要的提供者,其他都是比较小的公司。2015年英特尔宣布以167亿美元收购FPGA厂商Altera),给其他家留的份额就不多了。
               
老哥早些年,这两家FPGA都使用过,各有千秋。
国内也有很多FPGA的公司,有的出货也比较客观。与国外巨头相比,处于解决了有无的问题阶段,能够满足部分国产化需求。其容量,性能,特别是EDA工具方面,有明显的差距,还需要继续市场的磨练。
这里举两个国产FPGA的非典型案例,非常有意思。
2014年,俄罗斯并入克里米亚,美国出售制裁,美国对俄罗斯的封锁禁运也是很厉害,俄罗斯芯片告急,特别是高端的FPGA芯片,某司FPGA芯片抓住这个机会,解决了国际友人的燃眉之急,成就了某司的FPGA出口,也获得不错的利润。
另外,某手机大厂手机屏幕是有特殊转码格式的,所以如果返修,只能使用原厂屏,其他屏幕格式对不上,原厂屏价格很高。某司就定做了一批超小型FPGA,实现了手机屏的解码,中国的屏幕提供厂很多(LCD+LED等等),直接就可以替代原厂屏,在手机返修屏市场也是卖的风声水起。
在这些细分领域,找到了定位,实现了很大的突破,不论是利润还是数量。
如果有数量几十万片,几百万片,甚至更多,做专用芯片更合适。
如果没有那么多数量,需求又不固定,用FPGA更合适。
芯片设计中,其中有个环节叫做FPGA原型验证,FPGA原型验证就是把芯片代码放在FPGA做原型实现,加快芯片设计迭代的速率。
本文开始说:FPGA特性,就是能够描述芯片电路。
所以数字芯片流片之前,用FPGA装入芯片逻辑来等效测试,也是非常重要的一个环节。
从这个角度看,FPGA和芯片(专用集成电路)从来就不是对立的,
FPGA,万能芯片,从功能上看是万能的,理论上可以实现所有功能。
但是从,PPA上看,性能,功耗,面积(成本),这三个维度来衡量,又是非常受限的。
FPGA也在进化,拓展更多的领域,满足些变化的市场需求。
也有部分市场需求更为固化,被专用芯片所取代。
万能的芯片,变化的应用。
找到市场定位,解决用户的问题,才能获得一席之地。
FPGA是如此,芯片也是如此。
文章来自微信公众号:歪睿老哥

作者:极客头条

传播有价值的资讯

发表评论

您的邮箱地址不会被公开。 必填项已用 * 标注