为什么要计算电容器寿命?

电解电容器和聚合物混合电容器具有多项优点,然而它们的使用寿命有限,用户需要借助算法来确定其寿命

电解电容器和聚合物混合电容器具有几乎相同的设计:它们由阴极侧和阳极侧组成,而两者均由铝膜制成。阳极薄膜经过氧化处理形成氧化铝层,从而形成电介质。两片薄膜使用隔离纸卷起来,构成卷绕元件(图 1、图 2)。

 

图 1:电解电容器主要由阳极和阴极薄膜、隔离纸和电解质组成

 

图 2:电解电容器和聚合物电容器的基本设计

两种电容器之间的区别在于填充过程所用的材料,这也是其名称的由来:电解电容器填充有电解质,而聚合物混合电容器则使用聚合电解质或固体和液体聚合物的组合。

两款电容器都具有诸多优点,例如尺寸小但电容值高、成本低,以及适用于多种设计,例如SMD、THT 或卡入式(snap-in)设计。

与电解电容器相比,聚合物混合电容器具有更高的纹波电流容量,以及在低温时内阻较低,在高频时电容更稳定。这两种电容器技术的缺点在于使用寿命有限。在运作过程中,电解质或液态聚合物会缩减(图 3)。

图 3:电解液或液态聚合物在运作过程中扩散,导致电容器使用寿命缩短。Arrhenius方程可粗略估算电容器的使用寿命。

 

使用寿命的限制因素

影响电解电容器和聚合物混合电容器使用寿命的最大因素是电容器的内核温度,它随着环境温度和所施加纹波电流水平的增加而上升。此外,由于纹波电流过大而带来的机械应力也会损坏氧化层,导致自愈(self-healing)效应而消耗额外的电解质。自愈是电解电容器和聚合物混合电容器通过电解液和铝之间的化学反应来恢复氧化层的能力。电解质收缩也会导致电气参数恶化,例如电容以及等效串联电阻 (ESR)和损耗因数等参数。

使用寿命结束通常是指数据表参数(通常是电容损耗和损耗因数百分比的增加)未达标的阶段。

当在最终产品的目标运作期间找出电气参数达标的电容器产品时,用户可以使用Arrhenius方程进行初步评估。如图 4 所示,使用寿命作为扩散系数函数,在很大程度上类似于Arrhenius方程。因此,根据经验法则可以表述如下:工作温度降低50°F (10°C) 可让使用寿命翻倍。

图 4:Arrhenius 方程和经验法均表明,工作温度每降低 50°F (10 C),电容器的使用寿命就会增加一倍,两者提供了几乎一致的结果

Arrhenius 方程仅提供粗略的指导数值,因为没有考虑到纹波电流对自热效应的显着影响。

 

电容器供应商提供支持

为了获得精确的使用寿命计算数值,建议用户与相应的电容器供应商合作。这项计算需要客户提供任务配置文件,详细说明相关温度范围内的实际运行小时数。

图 5:任务配置文件示例显示供应商需要哪些参数来准确地计算使用寿命

每家供应商都对自有产品使用单独的计算,其中包括温度曲线和纹波电流负载。因此,供应商可以使用客户提供的任务配置文件进行详细的使用寿命计算。

使用任务配置文件,供应商可以根据相应的应用来评估和推荐电容器产品,这也可以防止使用超规格(over-specified) 也更昂贵的电容器产品。

 

冷却操作确保更长的使用寿命

增加散热器的表面积是改善散热从而延长电容器寿命的好方法。例如,通过使用风扇或水进行主动冷却,可以确保更好的散热效果。在验证组件并计算使用寿命时,用户可以考虑这类冷却概念。

冷却元件与电容器的连接也起着关键作用。

将冷却元件直接连接到组件,通常比将其放置在电路板的另一侧更有效。此外,还需要考虑电容器的外围单元,因为它通过接脚同时辐射和吸收热量,特别是附近安装了功率半导体或其他发热组件时,情况尤为如此。如果有经验数据(例如导通温度、电流、电压和频率),便可以将这个热量输入纳入使用寿命计算中。

如果用户使用导热膏或导热垫,它们的热阻则是决定性因素。数值越低,散热效率越高。如果冷却元件需要电气隔离,应当选择绝缘导热膏或合适的焊垫。

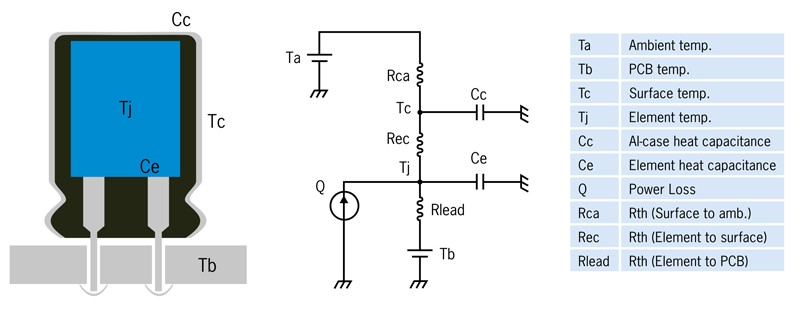
如果用户希望自行进行计算或模拟,可以从供应商处获取从电容器的核心(绕组元件)到接腿以及封装的热阻模型。

如果完全了解散热情况以及从顶盖或 PCB 到冷却元件的热阻,则可以推断出额外的散热或供热。一旦验证可能的散热,供应商或会允许使用更高的电路板布局纹波电流,但前提是不超过供应商规定的最大纹波电流,因为这会带来电容器的机械负载。

图 6:电容器的热等效电路图

 

结论

在选择电容器产品时,建议使用Arrhenius方程来确定初始指导数值。通过使用任务配置文件,可以准确地计算应用中所选电容器的使用寿命,这也考虑了由纹波电流引起的自热程度。为了最大限度地延长电容器的使用寿命,用户应该研究可能的冷却概念。

作者:极客头条

传播有价值的资讯

发表评论

您的邮箱地址不会被公开。 必填项已用 * 标注